ABLIC S-82M5A Battery Monitoring IC

ABLIC S-82M5A Battery Monitoring IC is ideal for 3-serial to 5-serial cell pack secondary protection lithium-ion rechargeable batteries. This IC features a 28V absolute maximum high-withstand voltage, a 3.6V to 24V operating voltage range, and an overcharge timer reset function. The S-82M5A battery monitoring IC incorporates high-accuracy voltage detection circuits and delay circuits in a small 8-pin package. By cascading the connections of these ICs, six or more serial lithium-ion rechargeable battery packs can be protected. This IC consumes a low current of 3µA maximum during operation (3.4V for each cell) and is lead-free (Sn 100%) and halogen-free.

Features

  • High-accuracy voltage detection circuit for each cell:
    • Overcharge detection voltage:
      • 3.500V to 4.700V (5mV steps)
      • Accuracy ±15mV (Ta = +25°C)
      • Accuracy ±20mV (Ta = -10°C to +60°C)
    • Overcharge release voltage:
      • 3.100V to 4.700V
      • Accuracy ±50mV
  • Delay times for overcharge detection are generated only by an internal circuit (external capacitors are unnecessary) (0.5s, 1s, 2s, 4s, 6s, and 8s overcharge detection delay time)
  • CO pin output voltage is limited to 7.5V maximum
  • Overcharge timer reset function
  • 28V absolute maximum rated high-withstand voltage
  • 3.6V to 24V wide operating voltage range
  • -40°C to +85°C wide operating temperature range
  • 3µA maximum during operation (3.4V for each cell), low current consumption
  • Lead-free (Sn 100%) and halogen-free

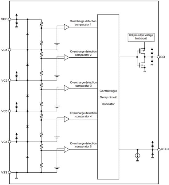
Block Diagram

Block Diagram - ABLIC S-82M5A Battery Monitoring IC
Publicado: 2025-06-04 | Actualizado: 2025-06-12