Advanced Energy FC2500 Capacitor Charger & Power Supply
Advanced Energy's Excelsys FlexiCharge FC2500 Capacitor Charger and Power Supply features two products in a single package with up to 3300W total power. The FC2500 can be used as a standalone capacitor charger and, with various added voltage modules, as a low-voltage power supply. This functionality provides extra flexibility to power other systems and applications. As a capacitor charger, the unit offers up to 2500W power capacity and a 250V to 1000V constant power charging range. The charger provides an integrated PMBus digital intelligent control system for increased user control and monitoring capability. As a power supply, the unit allows modules to be connected in serial or parallel outputs to achieve higher voltage and current ratings. Advanced Energy's Excelsys FlexiCharge FC2500 Capacitor Charger and Power Supply meets full safety agency approvals and improves time-to-market for end users by simplifying EMI and low leakage currents. The FC2500 series is ideal for various applications, including medical lasers as a capacitor charger and system power needs as an AC/DC power supply.Features
- Full safety agency approvals
- Programmable charge rates with power limit control and excellent pulse-to-pulse repeatability
- Low current leakage and EMI solution for end users, resulting in improved time-to-market
- High power density
- Intelligent digital power - access maximum flexibility with analog and digital control and monitoring
- Flexibility - PMBus monitoring and control capability
Applications
- AC/DC power supply
- Low voltage system power
- Power for onboard computers and displays
- Pump power
- Power for cooling and heating
- Power for other treatments
- Capacitor charger
- Medical lasers
- Surgical lasers
- Laser treatment
- Laser aesthetic treatments
Specifications
- Full safety agency approvals
- IEC60101-1 3rd edition
- IEC60101-1-2 4th edition (EMC)
- Capacitor charger
- Up to 2500W power capacity
- 0VDC to 1000VDC operating voltage range
- 250V to 1000V constant power charging range
- Excellent pulse-to-pulse repeatability
- Excellent user power limit control
- Analog and digital control and monitoring features
- AC/DC power supply
- Up to 800W power capacity
- Up to 10 isolated low-voltage outputs
- Serial and parallel outputs for higher voltages and currents
- Analog and digital control and monitoring features
- High-power density
Videos
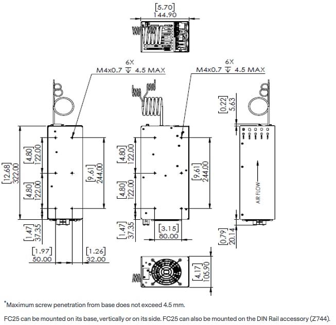
Mechanical Drawing
Additional Resources
Publicado: 2024-06-25
| Actualizado: 2025-04-09
