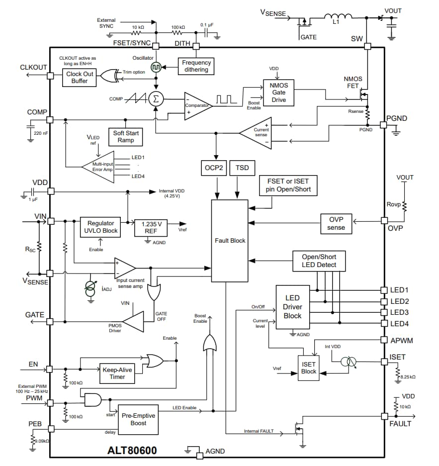
Allegro MicroSystems ALT80600 Multi-Output LED Driver
Allegro MicroSystems ALT80600 Multi-Output LED Driver is designed for small-size LCD backlighting. The ALT80600 integrates a current-mode boost converter with an internal power switch and four current sinks. The boost converter drives up to 44 white LEDs, 11 LEDs per string, at 120mA (VF=3.3V max). Higher currents up to 480mA are achieved when LED sinks are parallel.The ALT80600 Multi-Output LED Driver operates from a single power supply from 4.5V to 40V, and once started, it continues to run down to 3.9V. This operation allows the ALT80600 to withstand stop/start, cold crank, and load dump conditions encountered in automotive systems.
The ALT80600 controls LED brightness through an external PWM signal. Utilizing the patented ‘Pre-emptive Boost’ control, an LED brightness contrast ratio of 15,000:1 can be achieved using PWM dimming at 200Hz. Combining PWM and analog dimming allows a higher ratio of 150,000:1.
The ALT80600 employs many protections against output short, overvoltage, open or shorted diode, open or shorted LED pin, and overtemperature. Additionally, the cycle-by-cycle current limit protects the internal boost switch against high current overloads. An external P-MOSFET can disconnect the input supply in case of output to ground short fault.
Features
- Automotive AEC-Q100 qualified
- Wide input voltage range of 4.5V to 40V for start/stop, cold crank, and load dump requirements
- Fully integrated LED current sinks and boost converter with internal power MOSFET
- Operate in Boost or SEPIC mode for flexible output
- Drives up to 11 series white LED in 4 parallel strings, at up to 120mA per string (VF = 3.3 V max).
- Programmable boost switching frequency or sync externally from 200kHz to 2.3MHz
- Clock-Out feature for internal switching frequency
- Adjustable boost frequency dithering to reduce EMI
- Advanced control allows minimum PWM on-time down to 0.3μs, and avoids MLCC audible noises
- LED contrast ratio: 15,000:1 at 200Hz using PWM dimming alone, 150,000:1 when combining PWM and analog dimming
- Excellent input voltage transient response even at lowest PWM duty cycle
- Gate driver for optional PMOS input disconnect switch
- Extensive protection against:
- Shorted boost switch, inductor, or output capacitor
- Shorted FSET or ISET resistor
- Open or shorted LED pins and LED strings
- Open boost Schottky diode
- Overtemperature
Applications
- Automotive infotainment backlighting
- Automotive cluster
- Automotive center stack
- Automotive exterior lighting
Typical Application in Boost mode
Block Diagram
