ams OSRAM TOPLED® Enhanced Optical Power LEDs
ams OSRAM TOPLED® Enhanced Optical Power LEDs are compact SMT LEDs with an integrated reflector. These LEDs comes in a white PLCC-2 package with colorless clear resin. The TOPLED LEDs feature an extremely wide viewing angle which is ideal for backlighting and coupling in light guides.Features
- SMT LEDs with integrated reflector
- White PLCC-2 package
- Wide viewing angle
Applications
- Instrument clusters
- Button backlighting
- Electronic equipment
- Interior illumination
- White goods
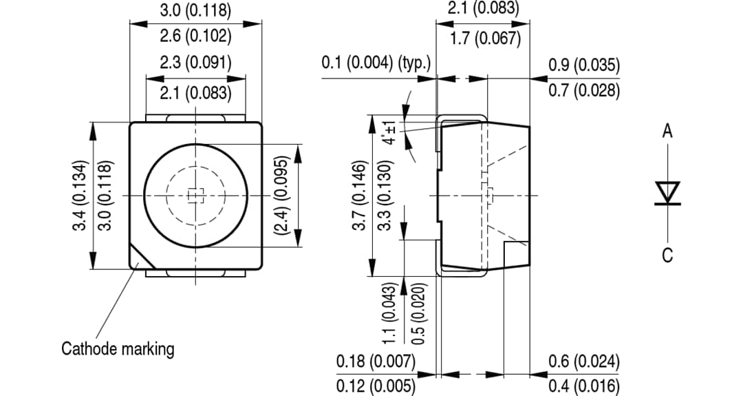
Package Outline
Publicado: 2010-09-02
| Actualizado: 2022-03-11
