Analog Devices Inc. ADAQ4370-4 μModule® Data Acquisition Solution
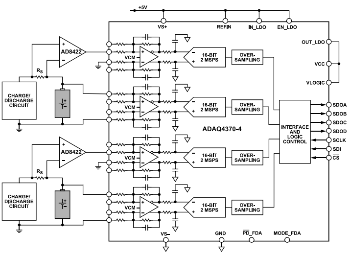
Analog Devices Inc. ADAQ4370-4 μModule® Data Acquisition (DAQ) Solution is a quad-channel, 16-bit precision DAQ signal chain solution. This device reduces the development cycle of a precision measurement system by transferring the signal-chain design challenges of component selection from the designer to the device. The ADAQ4370-4 solution features an on-chip oversampling function, 0.01% typical gain error, 0.8ppm/°C typical gain drift, and a high-speed serial interface. Typical applications include lab-grade battery test systems, sonar, power quality monitoring, data acquisition systems, and motor control position feedback.Features
- Easy to use μModule® data acquisition system:
- 11x footprint reduction vs. discrete solution
- Integrated critical passive components
- 5V single-supply operation
- Guaranteed 16-bit, no missing codes
- On-chip oversampling function
- 2-bit resolution boost
- Out-of-range indicator (ALERT)
- INL: ±0.85 LSB typical, ±2 LSB maximum
- SNR (typical):
- 90.8dB at gain = 1.0, fIN = 1kHz
- 97.5dB with OSR = ×8 at gain = 1.0, fIN = 1kHz
- Channel-to-channel phase matching: 0.005° typical at fIN = 20kHz
- Integrated high precision reference, 3ppm/°C typical drift
- 0.01% typical gain error
- 0.8ppm/°C typical gain drift
- Integrated internal buffer with VCM generation
- Integrated fully differential ADC driver with signal scaling:
- Wide input common-mode voltage range
- High common-mode rejection
- Single-ended to differential conversion
- Pin selectable input range with over range:
- ±2V, ±3.3V, ±5.5V, ±11V input ranges
- G = 0.3, 0.6, 1.0, and 1.6 gain/attenuation
- High-speed serial interface
- 8mm x 8mm, 0.8mm pitch, 81-ball CSP_BGA package
Applications
- Lab-grade battery test system
- Motor control current sense
- Motor control position feedback
- Sonar
- Power quality monitoring
- Data acquisition system
- Erbium-Doped Fiber Amplifier (EDFA) applications
- I and Q demodulation
Typical Application Diagram
Block Diagram
Publicado: 2024-11-05
| Actualizado: 2025-03-14
