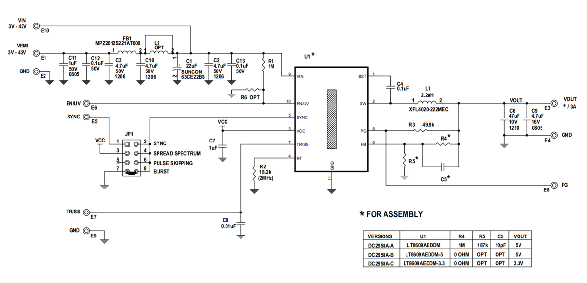
Analog Devices Inc. LT8609 Demo Boards (DC2958A-A/B/C)
Analog Devices Inc. LT8609 Demo Boards (DC2958A-A/B/C) are designed to evaluate the LT8609A/09A-5/09A-3.3 micropower synchronous step-down regulators. The DC2958A-A is for the LT8609A adjustable output, and the DC2958A-B is for the LT8609A-5 with a fixed 5V output voltage. DC2958A-C is for the LT8609A-3.3 with a fixed 3.3V output voltage. These demo boards are designed for 5V or 3.3V output with up to 42V input. The DC2958x demo boards operate on input voltages as low as 3V for drop-out mode operation. The output voltage is below the regulation point and follows the input voltage in the drop-out mode. These demo boards feature an EMI filter. The wide input voltage range allows a variety of input sources, such as automotive batteries and industrial supplies.Features
- Three assembly variations available:
- DC2958A-A for the LT8609A adjustable output
- DC2958A-B for the LT8609A-5 with a fixed 5V output voltage
- DC2958A-C for the LT8609A-3.3 with a fixed 3.3V output voltage
- Designed for 5V or 3.3V output with up to 42V input
- Wide input range allows a variety of input sources
- 3A (minimum) maximum output current
- 1.85MHz to 2.15MHz switching frequency range
- Up to 92.1% efficiency
- EMI filter installed
- 2MHz typical switching frequency (fSW)
Applications
- GSM transceivers
- General purpose step-down
- Low EMI step-down
Performance Graph
Schematic Diagram
Publicado: 2020-12-28
| Actualizado: 2024-12-13
