Analog Devices Inc. LT3942 Synchronous Buck-Boost Converter

Analog Devices Inc. LT3942 Synchronous Buck-Boost Converter is a monolithic 4-switch synchronous buck-boost LED driver. The driver can regulate the LED string current up to 34V with input voltages above, below, or equal to the output voltage. The proprietary peak-buck peak-boost current mode control scheme allows adjustable and synchronizable 300kHz to 2MHz fixed-frequency operation or internal 25% triangle spread-spectrum operation for low EMI. With 3V to 36V input, 0V to 36V output, and seamless low-noise transitions between operation regions, LT3942 is ideal for LED driver applications in automotive, industrial, and battery-powered systems.

The LT3942 provides LED current regulation with up to 128:1 internal and 5000:1 external PWM dimming using an optional high-side PMOS switch. The CTRL pin provides flexible 20:1 analog dimming with ±2.5% LED current regulation at 100mV full scale. Robust fault protection detects an open or short LED condition, during which the LT3942 retries, latches off, or keeps running. The Analog Devices Inc. LT3942 is offered in a space-saving QFN-28 package.

Features

  • 4-switch single inductor architecture allows VIN above, below, or equal to VOUT
  • Proprietary Peak-Buck Peak-Boost current mode
  • 3V to 36V input voltage range
  • 0V to 36V output voltage range
  • ±1.5% output voltage regulation
  • ±3% LED current regulation
  • 5000:1 external and 128:1 internal PWM dimming
  • Rail-to-rail LED current sense and monitor output
  • Open and short LED protection with fault reporting
  • 300kHz to 2MHz fixed switching frequency with external frequency synchronization
  • Flicker-free spread spectrum for low EMI
  • 4mm x 5mm QFN-28 package

Applications

  • General-purpose LED driver
  • Automotive and industrial lighting
  • Voltage regulator with accurate current limit

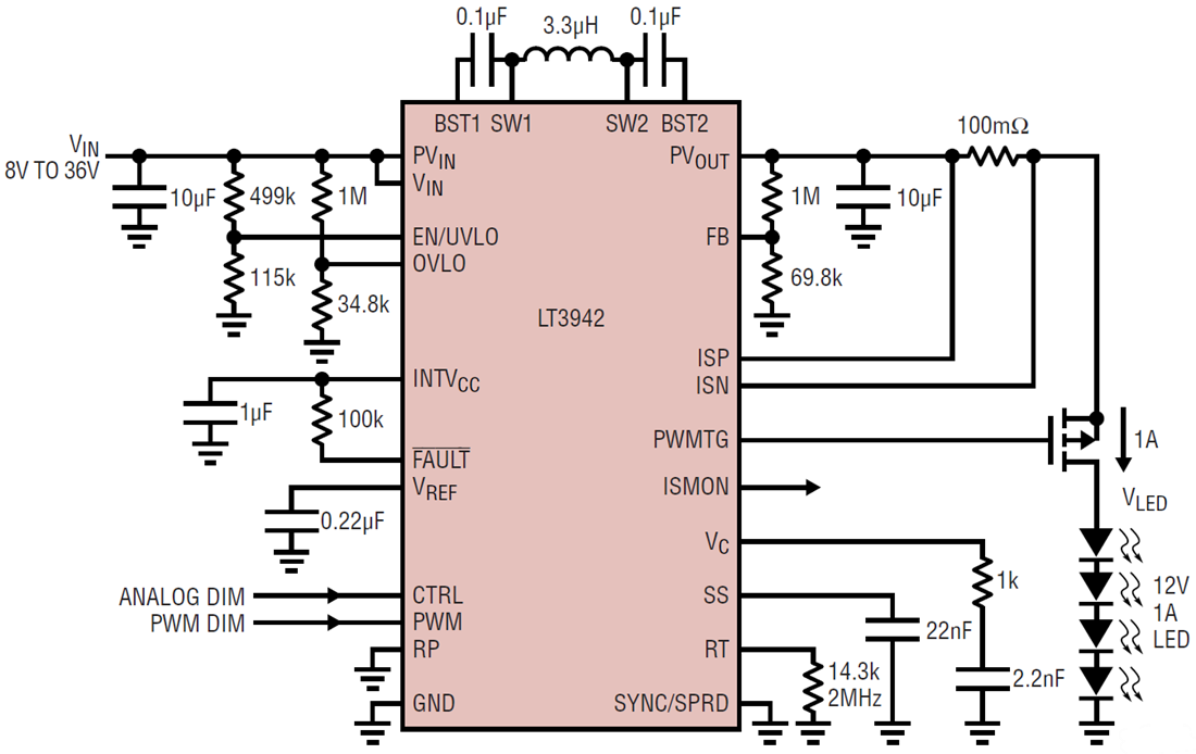
Typical Application

Application Circuit Diagram - Analog Devices Inc. LT3942 Synchronous Buck-Boost Converter
Publicado: 2019-11-07 | Actualizado: 2024-03-04