Analog Devices Inc. LTC3871 PolyPhase® Controllers
Analog Devices Inc. LTC3871 Bidirectional PolyPhase® Synchronous Controllers are high-performance 100V/30V bidirectional two-phase controllers capable of operating in either buck or boost mode on demand. Depending on the control signal, LTC3871 regulates in buck mode from VHIGH-to-VLOW and boost mode from VLOW-to-VHIGH. These regulation capabilities make the LTC3871 controllers ideal for automotive dual battery systems. The controllers regulate the maximum current delivered in either direction through an accurate current programming loop. The current programming loop allows the two batteries to supply energy to the load simultaneously by converting energy from one battery to the other. Using a proprietary constant-frequency, current-mode architecture, the LTC3871 enhances the signal-to-noise ratio. This enhanced signal-to-noise ratio enables low-noise operation and delivers excellent current matching between phases. Additional features of the LTC3871 from Analog Devices include continuous or discontinuous operation, OV/UV monitors, accurate output current monitoring, independent loop compensation for buck and boost operation, and overcurrent protection.Features
- Unique architecture allows dynamic regulation of input voltage, output voltage, or current
- VHIGH voltages up to 100V
- VLOW voltages up to 30V
- Up to 97% efficiency synchronous rectification
- LTC-proprietary advanced current mode control
- ±1% voltage regulation accuracy over temperature
- Accurate, programmable output current monitoring and regulation for both Buck and Boost Operation
- Selectable Buck and Boost current sense limits
- Programmable DRVCC/EXTVCC optimizes efficiency
- Programmable VHIGH UV and OV thresholds
- Programmable VLOW OV threshold
- 60kHz to 460kHz phase-lockable frequency
- Multiphase/Multi-ICs operation up to 12 phases
- Selectable CCM/DCM modes
- Thermally enhanced 48-lead LQFP package
Applications
- Automotive 48V/12V dual battery systems
- Backup power systems
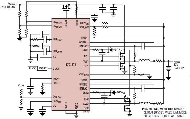
Typical Application Diagram
Additional Resources
Creating a Dual-Output Voltage Rail with Source and Sink Capability for ATE Applications
This article describes a technique for producing dual-output voltage rails that deliver positive and negative rails for a device power supply (DPS) with only one bidirectional power supply. The conventional way of supplying power to DPS uses two bidirectional power supplies, one for the positive rail and one for the negative rail, which is bulky and expensive. This method offers an alternative to the traditional approach, resulting in a more compact and cost-effective solution.
Publicado: 2017-04-28
| Actualizado: 2025-07-08
