Analog Devices Inc. MAX22217 Solenoid Drivers

Analog Devices Inc. MAX22217 Solenoid Drivers are intended to drive inductive loads such as on-off solenoid valves, DC motors, proportional valves, bi-stable valves, and relays. These drivers are integrated with four programmable 36V half-bridges. The MAX22217 solenoid drivers operate from -40°C to 125°C ambient temperature range. These drivers integrate functions aimed at optimizing solenoid and DC motor drive control. The MAX22217 features protection circuits, including Over-current Protection (OCP), Overtemperature Protection (OTP), and Undervoltage Lockout (UVLO). These drivers are offered in TQFN32 5mm x 5mm packages. The MAX22217 drivers are ideal for solenoid on-off valves and relays, DC motors, proportional valves, bi-stable latching solenoid valves, digital output interface, and electromechanical motor brakes.

Features

  • Four serial controlled 36V half-bridges:
    • 0.55A DC (TA = 25°C) and 1A full-scale current capability
  • Low RON for high-efficiency
  • High flexibility:
    • Independent channel setting
    • High-side/low-side/bridge-tied load configuration/parallel mode supported
  • Advanced control methods:
    • Voltage/current drive regulation
    • Two levels sequencer for power-saving
    • DC-motor drive with current limiter
    • Dithering function
    • Ramp up/down control
    • Demagnetization voltage control
    • Integrated current sense
  • Diagnostic functions:
    • Reaction and travel time measurement
    • Detection of plunger movements
    • Open-load detection
    • Inductance measurement
    • Digital current sense monitor
  • Full set of protections:
    • Overcurrent protection
    • Thermal protections
    • Undervoltage lockout

Applications

  • Solenoid on-off valves and relays
  • DC motors
  • Proportional valves
  • Bi-stable latching solenoid valves
  • Switching driver with real-time current measurement
  • Digital output interface
  • Electromechanical motor brake

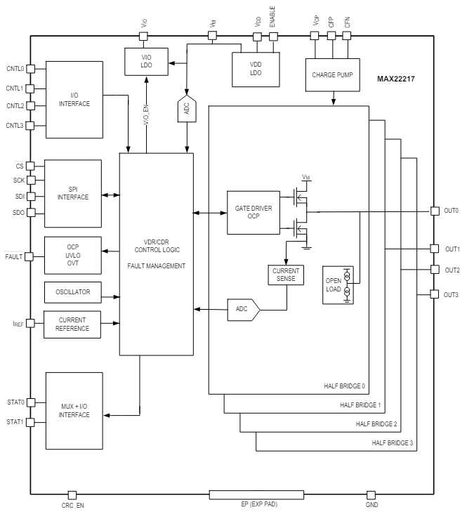
Block Diagram

Block Diagram - Analog Devices Inc. MAX22217 Solenoid Drivers
Publicado: 2024-07-10 | Actualizado: 2024-07-24