Analog Devices / Maxim Integrated MAX17055 1-Cell Fuel Gauge

Analog Devices MAX17055 1-Cell Fuel Gauge is a low 7μA operating current fuel gauge that implements the Maxim ModelGauge™ m5 EZ algorithm. ModelGauge m5 EZ makes fuel gauge implementation easy by eliminating battery characterization requirements and simplifying host software interaction. The ModelGauge m5 EZ robust algorithm provides tolerance against battery diversity for most lithium batteries and applications. ModelGauge m5 EZ algorithm combines the short-term accuracy and linearity of a coulomb counter with the long-term stability of a voltage-based fuel gauge, along with temperature compensation.

The MAX17055 automatically compensates for cell aging, temperature, and discharge rate. The device also provides an accurate state of charge (SOC in %) and the remaining capacity in milliampere-hours (mAh). As the battery approaches the critical region near empty, the ModelGauge m5 algorithm invokes a special compensation that eliminates any error. It also provides three methods for reporting the age of the battery: reduction in capacity, an increase in battery resistance, and a cycling odometer.

Features

  • ModelGauge m5 EZ
    • No characterization is required for EZ performance
    • Robust against battery variation
    • Eliminates error near-empty voltage
    • Eliminates coulomb counter drift
    • Current, temperature, and age compensated
    • Does not require empty, full, or idle states
  • Low 7μA operating current
  • Wide-Sense Resistor Range
    • 1mΩ to 1000mΩ
    • PCB metal sensing + temperature compensation
  • Supports Li+ and variants including LiFePO4
  • ±1°C internal temperature or thermistor
  • Dynamic power estimates power capability during discharge
  • Time-to-empty and time-to-fill estimation
  • Constant power or constant current
  • Predicts remaining capacity under theoretical load
  • Precision measurement system
    • No calibration required
  • Alert indicator for voltage, SOC, temperature, current, and 1% SOC change

Applications

  • Wearables, smartwatches
  • Smartphones
  • Tablets, 2-in-1 laptops
  • BLUETOOTH® headsets
  • Health and fitness monitors
  • Digital still, video, and action cameras
  • Medical devices
  • Handheld computers and terminals
  • Wireless speakers
  • Home and building automation, sensors
  • Portable game players
  • Toys

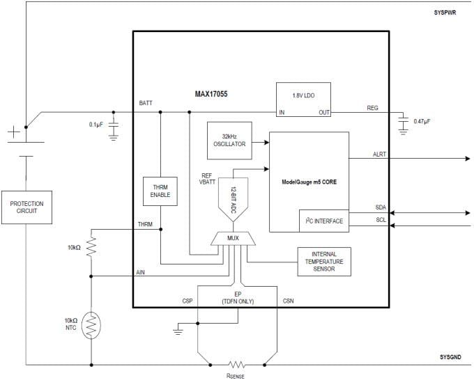
Functional Block Diagram

Block Diagram - Analog Devices / Maxim Integrated MAX17055 1-Cell Fuel Gauge

Videos

Publicado: 2017-03-10 | Actualizado: 2023-04-11