Analog Devices / Maxim Integrated MAX17536 Evaluation Kit

Analog Devices Inc. MAX17536 Evaluation Kit evaluates the MAX17536 5V output, 60V, 4A high-efficiency, current-mode, synchronous step-down DC-DC switching power module. The MAX17536 eval kit features a 7V to 60V voltage range, 4A load current with a 5V output voltage, and is programmed to switch at 450kHz. This eval kit offers cycle-by-cycle peak current-limit protection, EN/Under-Voltage Lock-Out (EN/UVLO), and thermal breakdown. The MAX17536 kit is simple to use, easily configurable, and has a compact 29-pin SiP package.

Features

  • Wide 7V to 60V input range
  • Highly integrated solution with built-in shielded inductor
  • Programmed 5V output and up to 4A output current
  • 450kHz switching frequency
  • Offers high 92.1% efficiency (VIN = 24V, VOUT = 5V, and IOUT = 2.5A)
  • All ceramic capacitors and ultra-compact solution
  • Selectable PWM, DCM, and PFM modes
  • Programmable 4ms soft-start time and Prebias startup
  • Open-Drain RESET output pulled up to 5V VCC
  • Programmable EN/UVLO threshold
  • Provision for external frequency synchronization
  • Hiccup Over-Current Protection (OCP)
  • Over-Temperature Protection (OTP)
  • -40°C to 125°C industrial temperature range
  • Complies with CISPR22 (EN55022) Class B
  • Conducted and radiated emissions

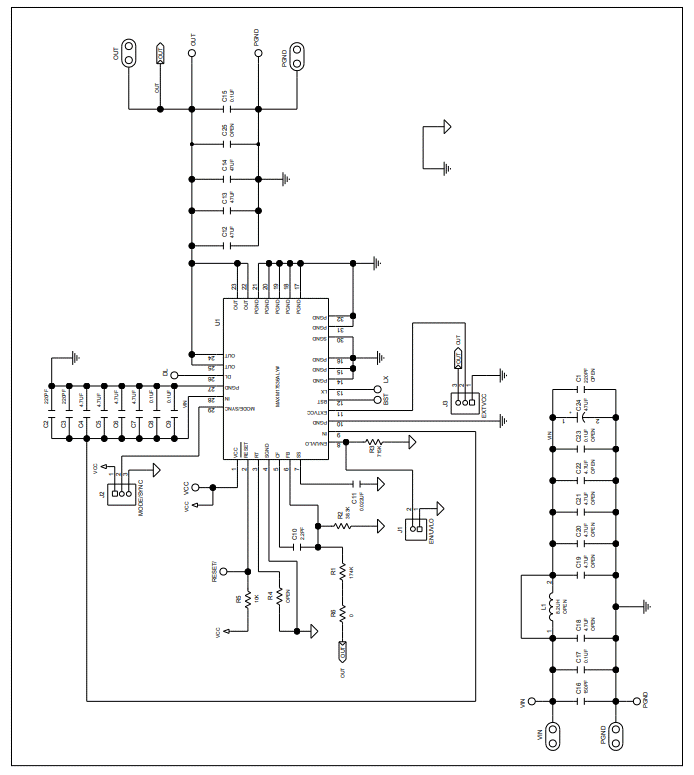
Schematic Diagram

Schematic - Analog Devices / Maxim Integrated MAX17536 Evaluation Kit
Publicado: 2019-11-19 | Actualizado: 2023-05-04