Analog Devices / Maxim Integrated MAX17630 Synchronous Step-Down DC-DC Converter

Analog Devices MAX17630 High-Efficiency, Synchronous Step-Down DC-DC Converter feature integrated MOSFETs operating over an input-voltage range of 4.5V to 36V. The converters are ideal for power-supply applications such as industrial control, base station, and general-purpose point-of-load. MAX17630 is designed with peak-current-mode control architecture. The device can be operated in forced pulse-width modulation (PWM), pulse-frequency modulation (PFM), or discontinuous-conduction mode (DCM) to enable high efficiency under full-load and light-load conditions. Analog Devices MAX17630 High-Efficiency, Synchronous Step-Down DC-DC Converter is available in three variants: MAX17630A, MAX17630B, and MAX17630C. MAX17630A and MAX17630B are fixed 3.3V and 5V output parts, respectively. The MAX17630C is an adjustable output voltage (0.9V up to 90% of VIN) part.

Features

  • All-ceramic capacitors for compact layout
  • Wide 4.5V to 36V voltage input
  • Adjustable output voltage range from 0.9V up to 90% of VIN
  • Delivers up to 1A over-the-temperature range
  • 400kHz to 2.2MHz adjustable frequency with external clock synchronization
  • Available in a 16-pin, 3mm x 3mm TQFN package
  • 2.8µA shutdown current
  • Hiccup-mode overload protection
  • Adjustable and monotonic startup with pre-biased output voltage
  • Built-in output-voltage monitoring with RESET
  • Programmable EN/UVLO threshold
  • Overtemperature protection
  • -40°C to +150°C operating temperature range

Applications

  • Industrial control power supplies
  • General-purpose point-of-load
  • Distributed supply regulation
  • Base station power supplies
  • Wall transformer regulation
  • High-voltage single-board systems

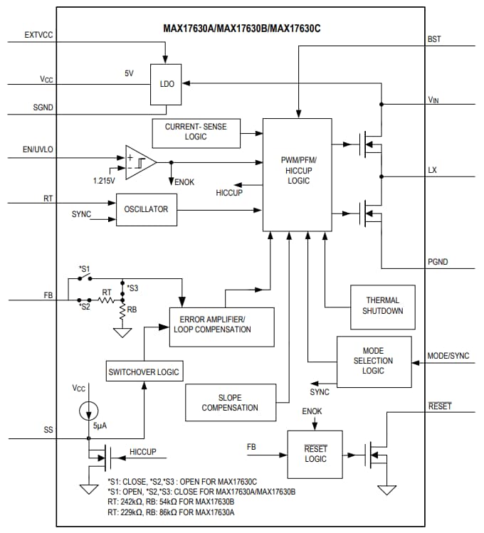
Block Diagram

Block Diagram - Analog Devices / Maxim Integrated MAX17630 Synchronous Step-Down DC-DC Converter

Application Circuit

Application Circuit Diagram - Analog Devices / Maxim Integrated MAX17630 Synchronous Step-Down DC-DC Converter
Publicado: 2019-09-16 | Actualizado: 2023-04-22