Broadcom HEDS-9930 (E2/E2L) Evaluation Boards
Broadcom HEDS-9930 (E2/E2L) Evaluation Boards are designed to be used as a reference design for the AEDR-9930 encoder ASIC. The AEDR-9930E2/E2L are three-channel reflective optical encoders that provide digital signals by using a reflective technology for motion control purposes. These digital encoders offer two-channel (AB) quadrature digital outputs and a third-channel digital index output. Typical applications include closed-loop stepper motors, industrial printers, actuators, robotics, card readers, linear stages, portable medical equipment, optometric equipment, and Pan-Tilt-Zoom (PTZ) cameras.Applications
- Closed-loop stepper motors
- Small motors and actuators
- Industrial printers
- Robotics
- Card readers
- Pan-Tilt-Zoom (PTZ) cameras
- Portable medical equipment
- Optometric equipment
- Linear stages
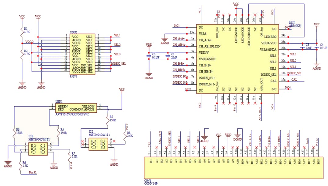
Schematic Diagram
Additional Resource
Publicado: 2025-04-14
| Actualizado: 2025-04-30
