Comchip Technology BAT54-HF SMD Schottky Barrier Diodes

Comchip Technology BAT54-HF SMD Schottky Barrier Rectifiers combine a fast switching speed, low forward voltage drop, and high current capability. These rectifiers are offered in a surface-mount SOT-23 or SOT-723 package and are ideal for pick-and-place assembly. The modules feature a 30V maximum repetitive peak reverse voltage. Comchip Technology BAT54-HF SMD Schottky Barrier Rectifiers are RoHS compliant and halogen free. The ABAT54M-HF series is AEC-Q101 qualified.

Features

  • High current capability
  • Low forward voltage drop
  • Extremely fast switching speed
  • Easy pick-and-place
  • AEC-Q101 qualified available (ABAT54M-HF)
  • 30V maximum repetitive peak reverse voltage
  • 21V maximum RMS voltage
  • 30VDC maximum blocking voltage
  • 200mA maximum average forward rectified current
  • 600mA peak forward surge current, 8.3ms single half sine-wave
  • 500°C/W typical thermal resistance
  • 200mW power dissipation
  • +125°C maximum junction temperature
  • SOT-23 or SOT-723 molded plastic case
  • UL 94V-0-rated epoxy
  • RoHS compliant and halogen free

Applications

  • Low voltage rectification
  • Switch-mode power supplies
  • Reverse polarity protection
  • Low-power consumption

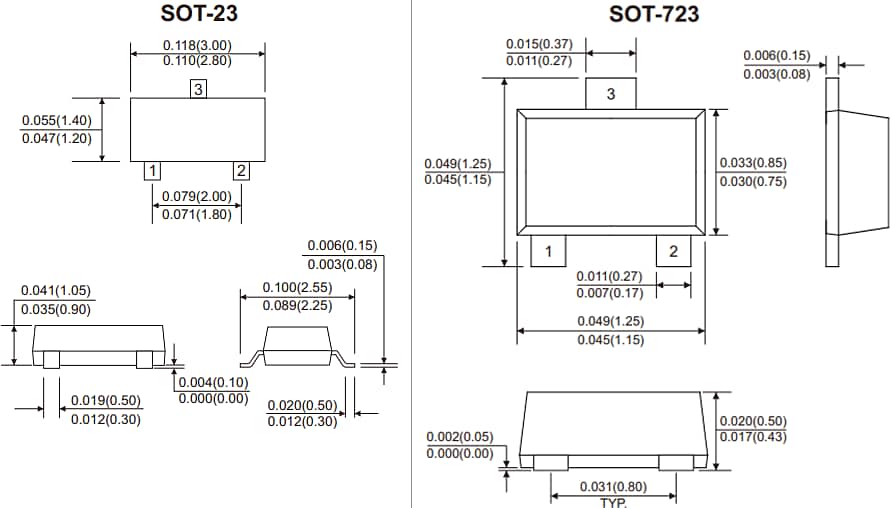
Dimensions - in (mm)

Mechanical Drawing - Comchip Technology BAT54-HF SMD Schottky Barrier Diodes
Publicado: 2019-09-24 | Actualizado: 2024-09-09