Cosel AEA1000 Open Medical & Industrial Power Supplies
Cosel AEA1000 Open-Frame Free-Air Convection Cooling Power Supplies feature a 1000W power rating, 24V to 48V output voltage range, and 50Hz/60Hz frequency. The AEA1000 series features a low profile of 50mm, up to 95% typical efficiency, and is able to deliver 330% peak power for a period of up to 3000ms. These power supplies offer an optimized layout for free-air convection, making them ideal for use in low-noise environments. Designed for applications requiring a high level of safety, Cosel AEA1000 Power Supplies are certified according to EN62477-1 standard for industrial applications and are approved in accordance with ANSI/AAMI ES60601-1 and EN60601-1 3r Edition for medical applications.Applications
- Robotics
- Infusion pumps
- Ventilators
- Actuators
- Process controls
- Radio and transmission equipment
- Emergency signaling
Specifications
- 95% typical efficiency rating
- 50mm low-profile design
- 1000W power rating
- 24V to 48V output voltage range
- 50Hz/60Hz frequency
- 0.3mA maximum leakage current
- 330% peak power for a period of up to 3000 milliseconds
- -20°C to +70°C operating temperature range
- ANSI/AAMI ES60601, EN60601-1 3rd, IEC60601-1-2 4th Ed approved for medical electric equipment
- Complies with SEMI F47
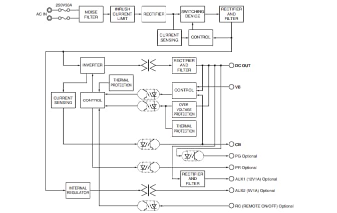
Block Diagram
Videos
Publicado: 2022-02-04
| Actualizado: 2022-09-22
