CUI Inc VGSM-280B Medical AC-DC Power Supplies

CUI Inc VGSM-280B AC-DC Power Supplies are medical AC-DC power supplies in a compact metal case. This CUI Inc internal AC-DC power supply is 60601-certified and features 5V standby and 12V fan outputs. This rugged unit is ideal for medical applications and provides 200W output power with natural convection and 280W with forced air cooling.

Features

  • 200W with natural convection, 280W with forced air cooling
  • Certified to EN/UL 60601-1, 2xMOPP
  • Designed to meet EN 60601-1-2
  • Designed to meet EN 55011/EN 55032
  • 90VAC to 264VAC universal input range
  • 5V standby and 12V fan outputs
  • Output short-circuit, over-current, over-voltage, and over-temperature protection
  • 3000m operating altitude
  • -20°C to +70°C operating temperature range with derating
  • Remote ON/OFF control

Applications

  • Medical
  • Industrial

Specifications

  • 12VDC to 54VDC output voltage range
  • 280W maximum output power
  • 5.18A to 23.33A maximum output current range
  • 150mVp-p to 400mVp-p maximum ripple and noise range
  • 91% typical efficiency

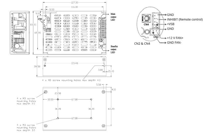
Mechanical Drawing

Mechanical Drawing - CUI Inc VGSM-280B Medical AC-DC Power Supplies
Publicado: 2025-02-14 | Actualizado: 2025-12-12