Diodes Incorporated AP66200 Synchronous DC-DC Buck Converter

Diodes Incorporated AP66200 Synchronous DC-DC Buck Converter is an adjustable switching frequency, internally compensated component with a 500kHz default internal frequency. The fully integrated AP66200 provides highly efficient step-down DC-DC conversion utilizing a 185mΩ high-side power MOSFET and an 80mΩ low-side power MOSFET. The Green U-QFN4040-16/SWP (Type UXB) packaged AP66200 enables a continuous load current (up to 2A) with efficiency as high as 95% in enhanced bias. A current mode control operation enables easy loop stabilization while supporting a wide capacitive load output range.

Features

  • 3.8V to 60V input range
  • 2A continuous output current
  • Output voltage adjustable from 0.8V to 50V
  • Enhanced efficiency mode with bias
  • Adjustable switching frequency, 500kHz default
  • Start-up with pre-biased output
  • External soft-start with tracking
    • Sequential, Ratiometric, or Absolute
    • Default internal soft-start of 2ms
  • Enable pin with 5% tolerance
  • Soft discharge
  • ±5% power good detection with an internal pull-up resistor
  • Overcurrent Protection (OCP) with hiccup
  • Thermal protection
  • Green U-QFN4040-16/SWP (Type UXB) package
  • Lead-free and RoHS compliant
  • Halogen and Antimony-free, "Green" device

Applications

  • General-purpose point-of-load DC/DC power conversion
  • Telecommunication systems
  • Distributed power supplies
  • Home audio devices
  • Consumer electronics
  • Network supplies
  • FPGA, DSP, and ASIC supplies
  • Green electronics

Specifications

  • 1.5µA typical shutdown supply current, 3.5µA maximum
  • 40µA typical quiescent supply current, 60µA maximum
  • 1.7ms typical soft-start period
  • 0.75μA to 1.25μA soft-start charging current range
  • 110ns minimum on-time (typical)
  • 120ns minimum off-time (typical)
  • Operating temperature ranges
    • -40°C to +85°C ambient
    • -40°C to +125°C junction
  • Maximum ESD susceptibility
    • ±2500V Human Body Model (HBM)
    • ±1500V Charged Device Model (CDM)

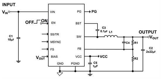
Typical Application

Application Circuit Diagram - Diodes Incorporated AP66200 Synchronous DC-DC Buck Converter

Block Diagram

Block Diagram - Diodes Incorporated AP66200 Synchronous DC-DC Buck Converter
Publicado: 2023-01-30 | Actualizado: 2024-02-13