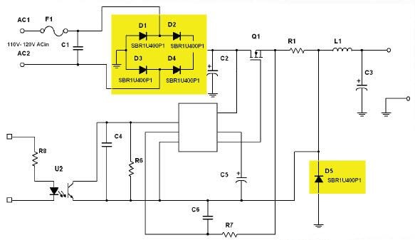
SBR1U400P1 400V Super Barrier Rectifiers are packaged in in a high performance PowerDI® 123 package for the best thermal heat dissipation along with a low height profile for space-constraint applications. The high thermal performance of the package combined with ultra-low VF translates to a significant amount of power savings and reliability for critical high efficiency applications such as LED lighting.
Features
- 400V Peak repetitive reverse voltage, working peak reverse voltage, and DC blocking voltage
- 1.0A Average rectified output current
- Ultra low forward voltage drop
- Low leakage current
- Superior reverse avalanche capability
- Excellent high temperature stability
- Patented interlocking clip design for high surge current capacity
- Patented super barrier rectifier technology
- Soft, fast switching capability
- 150°C Operating junction temperature
Applications
- Offline LED drivers (120VAC input)
- LED light bulbs for residential and industrial, lighting ballast, signage, and street lighting
Application Circuit
Publicado: 2011-02-09
| Actualizado: 2022-03-11

