Infineon Technologies CYW20737 BLUETOOTH® Low Energy SoC

Infineon Technologies CYW20737 BLUETOOTH® Low Energy SoC offers a 500kΩ input resistance, 1mA current rating, and 3.63V maximum input signal range. The CYW20737 supports the entire spectrum of Bluetooth Smart use cases for medical, home automation, accessory, sensor, Internet of Things (IoT), and wearable market segments. The CYW20737 Bluetooth Low Energy SoC is a monolithic component implemented in a standard digital CMOS process and requires minimal external components to make a fully compliant Bluetooth device. The Infineon CYW20737 is available in a 32-pin, 5mm × 5mm 32-QFN package and WLBGA SIP and die packages.

Features

  • Alliance for Wireless Power (A4WP) wireless charging
  • Support for RSA encryption/decryption and key exchange mechanisms (up to 4kb) 
  • Support for X.509 certificate exchange 
  • Support for NFC tag-based "tap-to-pair" 
  • Support for Bluetooth Smart-based audio 
  • Bluetooth Low Energy (BLE) compliant 
  • Infrared modulator
  • IR learning
  • Supports adaptive frequency hopping (AFH)
  • Excellent receiver sensitivity
  • On-chip support for serial peripheral interface (master and slave modes) 
  • 10-bit auxiliary ADC with nine analog channels
  • Broadcom Serial Communications interface (compatible with Philips® I2C slaves)
  • Programmable output power control  
  • Integrated Arm® Cortex®-M3 based microprocessor core 
  • Automation profile
  • Support for secure OTA
  • On-chip power-on reset (POR)
  • Support for EEPROM and serial flash interfaces
  • Integrated low-dropout regulator (LDO) 
  • On-chip software-controlled power management unit
  • Package type: 32-pin 32-QFN package (5mm × 5mm)
  • RoHS compliant

Applications

  • Battery status
  • Blood pressure monitor
  • "Find me" devices
  • Heart rate monitor
  • Proximity
  • Thermometer
  • Weight scale
  • Time

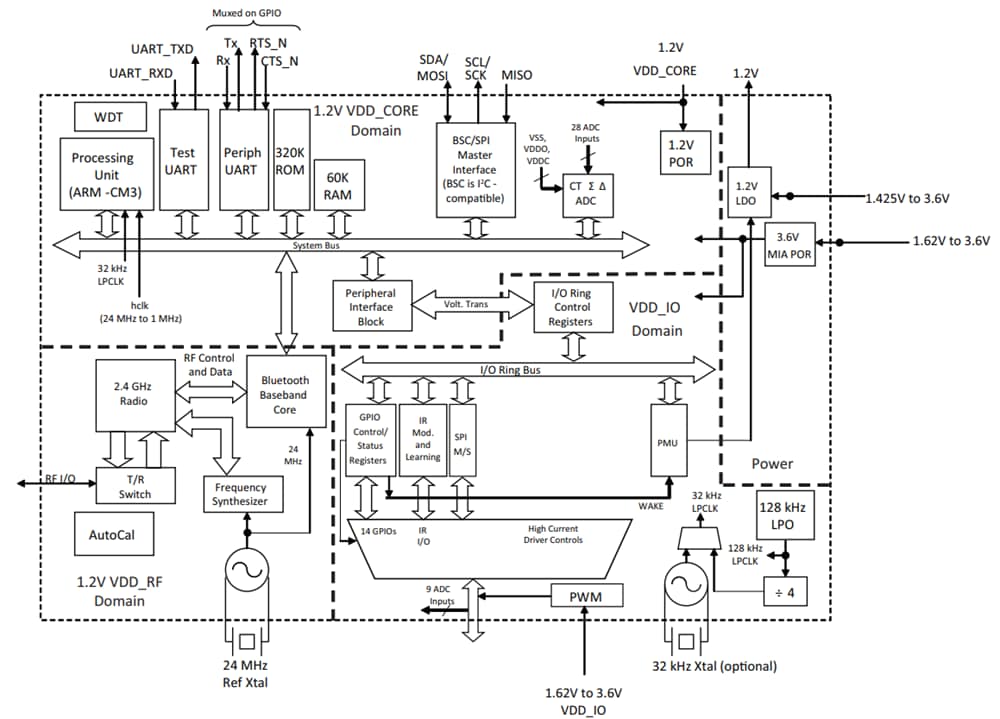
Block Diagram

Block Diagram - Infineon Technologies CYW20737 BLUETOOTH® Low Energy SoC
Publicado: 2019-09-19 | Actualizado: 2024-01-30