Infineon Technologies FS3L200R10W3S7F_B11 EasyPACK™ 3-level IGBT Module
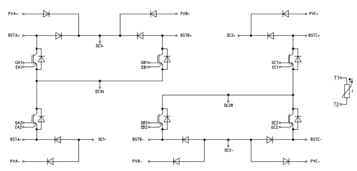
Infineon Technologies FS3L200R10W3S7F_B11 EasyPACK™ 3-level IGBT Module is a 950V, 200A dual boost module with 1200V CoolSiC™ diode, TRENCHSTOP™ IGBT7, NTC, and PressFIT contact technology. The FS3L200R10W3S7F_B11 offers a baseplate less design with PressFIT pins. Combining the F3L400R10W3S7F_B11 and F3L400R10W3S7_B11 provides a total solution for 1500V 3-phase PV string inverters.Features
- S7 with extremely low switching loss and soft turn-off behavior
- 1200V CoolSiC™ diodes reduce switching loss of IGBT
- Dual boost topology, 3 MPPT circuits in one module
- Bypass diodes and reverse polarity protection diodes are integrated for each MPPT circuit
- CTI>400
- Innovative mechanical concept reduces Rthjh
- Tvj op = 150°C
- Baseplate less design
- PressFIT pins
Typical Application Circuit
Publicado: 2021-09-18
| Actualizado: 2022-03-11
