LEM HMSR-DA Board Mount Integrated Current Sensors

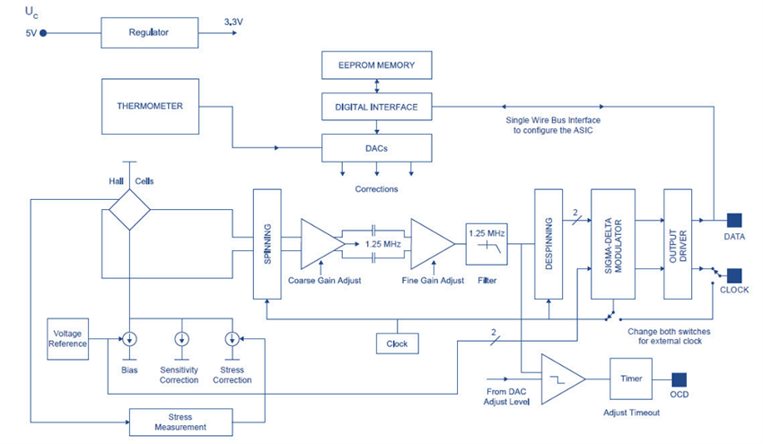
LEM HMSR-DA Board Mount Integrated Current Sensors feature a 1-bit digital bitstream as an output. The innate insulation and Delta Sigma modulator make the HMSR-DA the ideal product to simplify the BOM of targeted systems. LEM HMSR-DA sensors have an integrated micromagnetic core, which significantly improves immunity to external fields. The design of the Hall cells, together with the internal compensation circuit, allows for great effective resolution and accuracy for best-in-class performance. The 1-bit bitstream output mode is available on different protocols, which include both single-ended and differential modes (RS422 and LVDS).

The HMSR-DA product family provides a robust, compact, and very accurate solution for measuring DC and AC currents in applications like servo drives and robotics. An internal overcurrent detection circuit is implemented to provide fast, reliable, and flexible protection solutions. This overcurrent detection circuit is located before the Delta Sigma modulator, thus not suffering from delays. The primary conductor has very low electrical resistance and dedicated pads designed to withstand high surge currents such as lightning strikes. That enables excellent performance at low power losses. The reinforced galvanic insulation between the primary and the secondary eliminates the need for any additional insulation, reducing the total footprint and cost of the system.

Features

  • Industrial qualification
  • 10A, 15A, 25A, and 75A multi-range current transducers
  • Low 0.76mΩ electrical resistance
  • 5V supply voltage
  • 1-bit bitstream output from integrated 2nd order sigma-delta modulator Pulse Density Modulation (PDM)
  • Different output modes, including RS422 and LVDS
  • <1% sensitivity error at +35°C
  • Fast <1.5µs internal overcurrent detection
  • Low power consumption
  • Integrated micro core for high robustness against external interference
  • Galvanic separation between primary and secondary with 8mm of dCp/dCl
  • Reinforced insulation capability
  • ≤20kA lightning impulse current internal reference voltage
  • Small footprint with surface-mount PCB mounting
  • -40°C to +125°C temperature range
  • Moisture Sensitivity Level (MSL) 1
  • 5-year warranty
  • RoHS compliant
  • Standards
    • IEC 61800-5-1: 2007
    • IEC 62109-1: 2010
    • IEC 62368-1: 2018 (replacing IEC 60950-1)
    • UL 1577: 2014

Applications

  • Servo drives
  • Robotics
  • Digital drives

Specifications

  • ±15A to ±75 current measurement range
  • ±6A to ±30A RMS nominal current range
  • 5V supply voltage, 7.5V maximum
  • 7.5V maximum supply voltage on other pins
  • Insulation coordination
    • 4.95kV RMS voltage for AC insulation test, 50Hz, 1 minute, according to IEC 62368-1
    • 8kV impulse withstand voltage, 1.2/50μs, according to IEC 62109-1, IEC 61800-5-1
    • 1556V partial discharge RMS test voltage recurring peak voltage
    • 2063V partial discharge RMS inception voltage
    • 1650V partial discharge RMS extinction voltage
    • 8mm clearance and creepage distance
    • 600 comparative tracking index
  • Working voltage according to IEC 62368-1
    • Basic insulation
      • 1600V RMS voltage
      • 2262V peak or DC voltage
    • Reinforced insulation
      • 800V RMS voltage
      • 1131V peak or DC voltage
  • Common electrical data (independent of sensitivity)
    • 4.5A to 5.5A DC supply voltage range
    • 25mA maximum output current source
    • 50mA maximum input current sink
    • ±0.5 linearity error
    • 0.18A typical magnetic offset current
    • 300kHz typical internal bandwith (-3dB)
  • Mechanical
    • 0.76mΩ resistance of the primary
    • Copper for primary/secondary
    • Tin-Bismuth plating on all terminals
    • ±0.15mm general tolerance
  • Typical thermal resistance
    • 18K/W junction-to-board (case)
    • 19K/W junction-to-ambient
  • Maximum ESD
    • 2kV Human Body Model (HBM)
    • 500V Charged Device Model (CDM)
  • +150°C maximum junction temperature

Videos

Block Diagram

Block Diagram - LEM HMSR-DA Board Mount Integrated Current Sensors

Pins Definitions/App Circuit

Chart - LEM HMSR-DA Board Mount Integrated Current Sensors

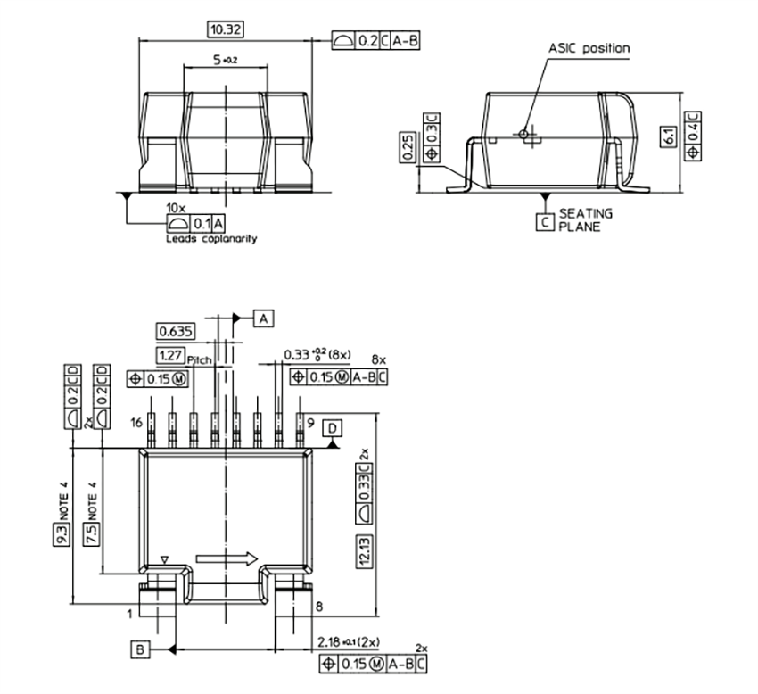
Dimensions (mm)

Mechanical Drawing - LEM HMSR-DA Board Mount Integrated Current Sensors
Publicado: 2025-07-22 | Actualizado: 2025-10-24