MACOM MAPS-011019 2.4-5.1GHz Digital Phase Shifter
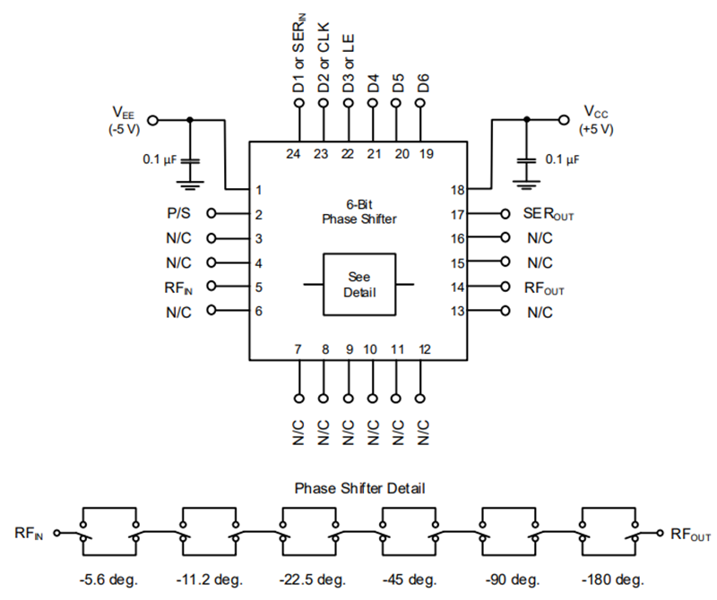
MACOM MAPS-011019 2.4-5.1GHz Digital Phase Shifter is a 6-bit digital phase shifter with an integrated driver. The MACOM MAPS-011019 is designed for high phase accuracy and minimal loss variation across its 0° to 360° range. It comes in a compact 4mm PQFN lead-free surface mount package, making it suitable for applications like 5G and test equipment, where space is a concern.Features
- 6-bit digital phase shifter
- 360° coverage with LSB = 5.625°
- Integrated driver
- Serial or parallel control
- Low DC power consumption
- Minimal attenuation variation over phase shift range
- 50Ω impedance
- EAR99
- Lead-free 4mm 24-lead PQFN package
- RoHS compliant
Applications
- Multi-market
Functional Schematic
Publicado: 2023-09-27
| Actualizado: 2023-10-03
