Microchip Technology MCP3911 3.3V Two-Channel Analog Front End
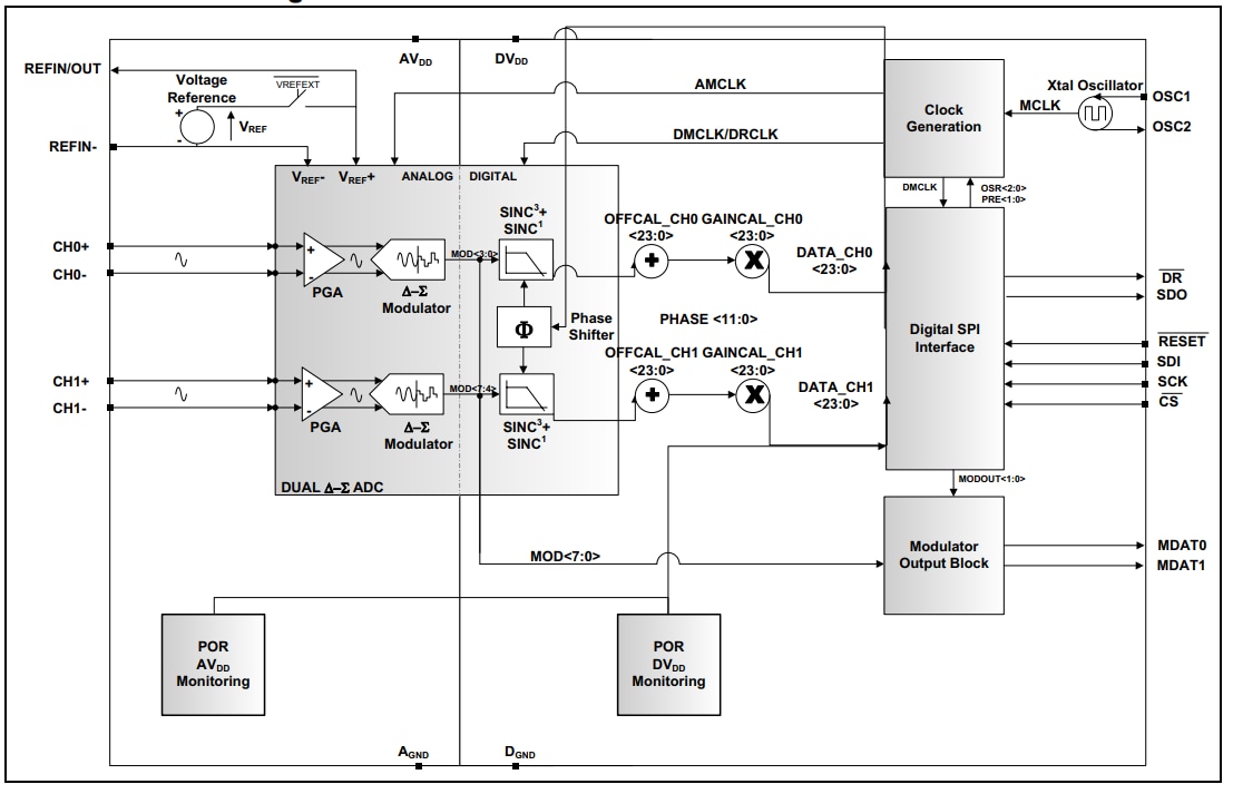
Microchip MCP3911 3.3V, two-channel energy-measurement analog front end (AFE) features two 24-bit, delta-sigma analog to digital converters (ADCs) that operate at 3V with industry-leading accuracy of 94.5dB SINAD and 106.5dB THD. These capabilities allow the Microchip MCP3911 to provide better energy-meter and power-monitoring performance by accurately measuring from start-up to maximum current.This Microchip AFE also enables faster calibration during production. MCP3911 offers four different power modes, providing the flexibility of extremely low-power designs to 0.8mA per channel or designs for higher-speed signals and harmonic content. MCP3911 also features 2.7V to 3.6V analog and digital operation, simplifying the interface by running off the same power rail as the microcontroller.
Features
- Two synchronous samplings 16/24-bit resolution Delta-Sigma A/D converters
- 94.5dB SINAD, -106.5dBc Total Harmonic Distortion (THD) (up to 35th harmonic), 111dB
- SFDR for Each channel
- 2.7V to 3.6V AVDD, DVDD
- Programmable data rate up to 125ksps
- 4MHz Maximum sampling frequency
- Oversampling ratio up to 4096
- Ultra-low power shutdown mode with <2μA
- -122dB Crosstalk between the two channels
- 7ppm/°C Low drift 1.2V internal voltage reference
- Differential voltage reference input pins
- High gain PGA on each channel (up to 32V/V)
- Phase delay compensation with 1μs time resolution
- Separate modulator output pins for each channel
- Separate data ready pin for easy synchronization
- Individual 24-bit digital offset and gain error correction for each channel
- High-speed 20MHz SPI interface with mode 0,0 and 1,1 compatibility
- Continuous Read/Write modes for minimum communication
- Low power consumption (8.9mW at 3.3V, 5.6mW at 3.3V in low-power mode, typical)
Applications
- Energy metering and power measurement
- Automotive
- Portable instrumentation
- Medical and power monitoring
- Audio/voice recognition
Functional Block Diagram
Publicado: 2012-05-02
| Actualizado: 2023-08-15
