Microchip Technology MCPF1412 16V, 12A Switching Buck Regulator Module
Microchip Technology MCPF1412 16V, 12A Switching Buck Regulator Module is a fully integrated point-of-load (PoL) 12A power module with a 16A VIN buck converter. This module supports I2C and PMBus™ interfaces and is designed to deliver excellent performance, reliability, efficient power conversion, and reduced energy loss. The versatile MCPF1412 device offers significant flexibility for configuration and system monitoring and supports standalone operation without a digital interface. This enables designers to configure output voltages using simple resistor divider adjustments and monitor the system via the power-good output.Additional features include multiple diagnostic functions, including overtemperature, overcurrent, and overvoltage protection. Specifications include a 5.5V to 70V input voltage range, a -40°C to +125°C operating temperature range, and a land grid array (LGA) package. Microchip Technology MCPF1412 Module has a compact form factor with 5.8mm x 4.9mm x 1.6mm dimensions, making it suitable for servers, routers, base stations, high power density PoL conversion, and telecom equipment.
Features
- PoL module with output inductor included
- Continuous 12A load capability
- No external compensation required
- Programmable operation using I2C and PMBus
- Enable input, programmable undervoltage lockout (UVLO) circuit
- Power-good indicator
- Built-in protection
Applications
- Servers
- Workstations
- Cloud computing
- High power density PoL conversion
- Routers
- Switches
- Telecom equipment
- Base stations
- Data center power solutions
Specifications
- 5.8mm x 4.9mm x 1.6mm dimensions
- 0.6V to 1.8V adjustable output voltage range
- -40°C to +125°C operating temperature range
- Lead free and halogen free
- Compliant with EU REACH and RoHS
Typical Application
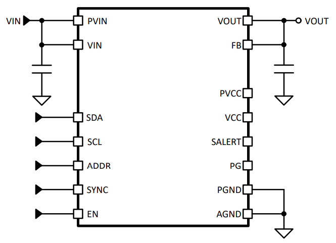
Block Diagram
Publicado: 2025-04-28
| Actualizado: 2025-08-29
