Microchip Technology PIC18F High-Performance Microcontrollers
Microchip Technology PIC18F High-Performance Microcontrollers combine large Flash/EE/RAM memory, a rich peripheral integration, XLP, and 5V support for a variety of general-purpose applications. These 28-, 40-, and 44-pin devices deliver Core Independent Peripherals like CWG, WWDT, CRC/Memory Scan, Hardware CVD, Zero-Cross Detect and Peripheral Pin Select. These features provide for increased design flexibility and lower system cost.The Microchip Technology PIC18F MCUs are available in SOIC-28, PDIP-40, and TQP-44 package options for design flexibility.
Features
- C compiler optimized RISC architecture
- Only 83 instructions
- Operating speed:
- DC 64MHz clock input
- 62.5ns minimum instruction cycle
- Programmable 2-level interrupt priority
- 31-Level deep hardware stack
- Three 8-Bit Timers (TMR2/4/6) with Hardware Limit Timer (HLT)
- Four 16-Bit Timers (TMR0/1/3/5)
- Low-Current Power-on Reset (POR)
- Power-up Timer (PWRT)
- Brown-out Reset (BOR)
- Low-Power BOR (LPBOR) option
- Programmable code protection
- Windowed Watchdog Timer (WWDT):
- Timer monitoring of overflow and underflow events
- Variable pre-scaler selection
- Variable window size selection
- All sources configurable in hardware or software
Videos
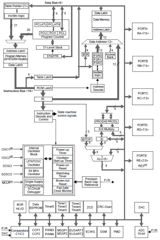
Block Diagram
Publicado: 2017-03-01
| Actualizado: 2022-03-11
