Microchip Technology PIC18F1220 & PIC18F1320 8-Bit Microcontrollers
Microchip Technology PIC18F1220 and PIC18F1320 8-Bit Microcontrollers feature nanoWatt Technology, making these devices ideal for battery managed applications. The PIC18F1220 and PIC18F132 MCUs have six enhanced, software-controlled power-management modes, with power consumption as low as 0.1mA in standby mode. These devices also include a low-current watchdog timer, a 2-speed start-up from a reset or sleep mode, and a fail-safe clock monitor that is used to detect an external clock failure.The PIC18F1220 and PIC18F132 feature a C compiler-friendly development environment, 128 bytes of EEPROM, and an integrated ICD (In-Circuit Debugger). Both devices include capture/compare/PWM functions, a 7-channel, 10-bit Analog-to-Digital Converter (ADC), an Addressable Universal Asynchronous Receiver Transmitter (AUSART), and Advanced Low Power Oscillator controls.
The Microchip Technology PIC18F1220 and PIC18F1320 MCUs are differentiated from each other only in the amount of on-chip Flash memory, with 4 Kbytes for the PIC18F1220 and 8 Kbytes for the PIC18F1320. Both devices are available in 18-pin, 20-pin, and 28-pin packages.
Features
- 8-bit core, 40MHz
- 2.0V to 5.5V operating voltage range
- Low-power nanoWatt Technology
- 6 software-controlled power-management modes
- Flash program memory size
- PIC18F1220: 4KB
- PIC18F1320: 8KB
- Internal oscillator
- 10 MIPS/DMIPS CPU speed
- 256B SRAM
- 256-bytes data EEPROM
- 1x UART
- 1x input capture
- 1x ECCP
- Timers
- 1x 8-bit
- 3x 16-bit
- 7-channel, 10-bit ADC
- -40°C to +125°C operating temperature range
- PDIP18, SOIC18, SSOP20, and QFN28 package options
Applications
- Battery-powered devices
- Power-consumption critical
- Instrumentation and monitoring
- Data acquisition
- Power conditioning
- Environmental monitoring
- Telecom and consumer audio/video
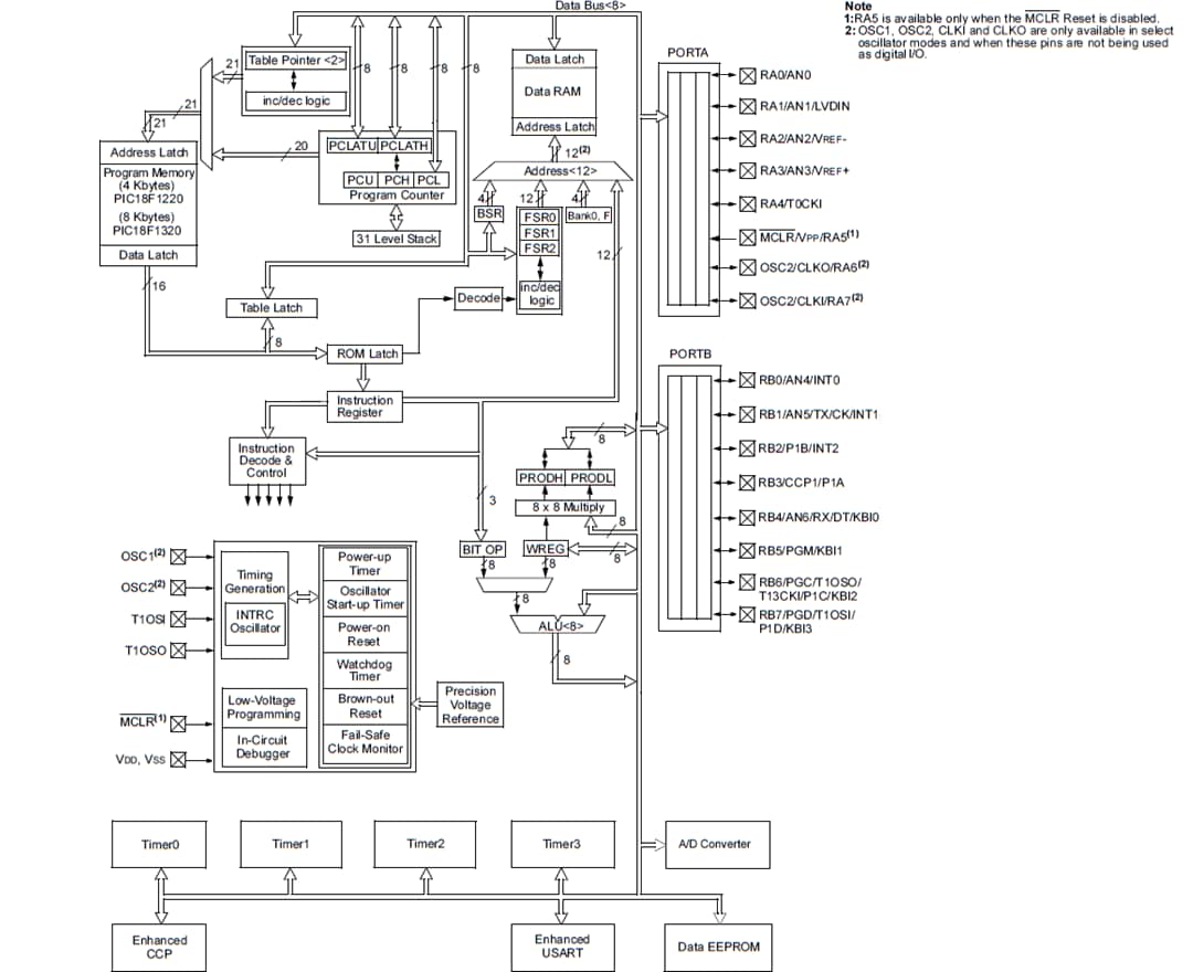
Block Diagram
Pin Designations
Publicado: 2021-01-04
| Actualizado: 2024-08-15
