Microchip Technology SAM R35 LoRa® Sub-GHz SiP Microcontrollers
Microchip Technology SAM R35 LoRa® Sub-GHz System-in-Package (SiP) Microcontrollers feature a 32-bit Arm® Cortex-M0+ processor that runs up to 48MHz (maximum) (2.46 CoreMark/MHz). The SAM R35 family offers 256KB of flash and 40KB of SRAM and includes an area of battery-backed-up SRAM. These R35 MCUs are ultra-low power MCUs equipped with a UHF transceiver that supports LoRa and FSK modulation. The SAM R35 LoRa SiP family devices have accurate low-power external and internal oscillators. These SAM R35 MCUs include four software-selectable sleep modes, like Idle, Standby, Backup, and Off-modes, supporting some internal operations. The SAM R35 MCUs operate at a 1.8V to 3.6V supply voltage range. These SAM R35 SiPs can significantly reduce the time to market for Internet of Things (IoT) designs.The SAM R35 devices are supported with C compilers, macro assemblers, program debuggers/simulators, programmers, and evaluation kits. This MUCs LoRa technology is a spread spectrum protocol optimized for low data rates and ultra-long range signaling. The SAM R35 offers MCUs functions and the UHF transceiver without the USB interface. These SAM R35 MCUs are ideal for battery-powered remote sensors and controls.
Features
- Operational features
- Processor
- RM Cortex -M0+ CPU running at up to 48MHz (2.46 CoreMark®/MHz)
- Single-Cycle hardware multiplier
- Micro Trace Buffer (MTB)
- Memory
- In-system self-programmable flash memory, with options for sizes 256KB, 128KB, or 64KB
- Static Random Access Memory (SRAM) with options for sizes 32KB, 16KB, or 8KB
- 8KB low-power RAM with battery backup retention (with 4KB option)
- System
- Power-on Reset (POR) and brown-out reset
- External Interrupt Controller (EIC)
- Up to 15 external interrupts
- One non-maskable interrupt
- Two-pin Serial Wire Debug (SWD) programming, test, and debugging interfaces
- 1.8V to 3.6V operating voltage
- Low power consumption
- -40°C to 85°C (Industrial) temperature range
- Processor
- RF/Analog features
- Integrated LoRa technology transceiver
- High sensitivity
- Up to 168dB (maximum) link budget
- Robust front-end: IIp3 = -11dBm
- Excellent blocking immunity
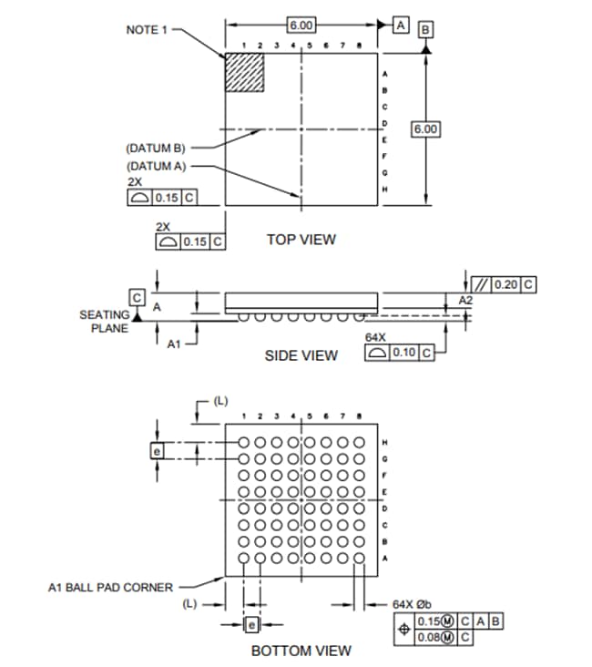
- Package Information
- 27 programmable I/O pins
- 64 Lead Ball Grid Array (BGA)
Package Outline
Publicado: 2018-11-30
| Actualizado: 2022-12-20
