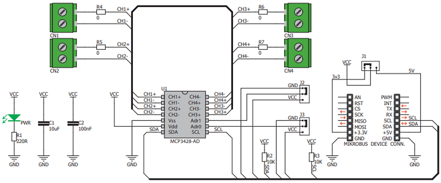
Mikroe MIKROE-1894 ADC 3 click
Mikroe MIKROE-1894 ADC 3 click is ideal for applications requiring a high sample rate with four pairs of screw terminals onboard. These terminals enable access to the chip's four differential 16-bit input channels. At the highest resolution of 16 bits, the chip outputs conversion results at 15 samples per second. At 14 bits, the sample rate is 60SPS. The maximum conversion speed is achieved in 12-bit mode, 240SPS. Two onboard jumpers enable switching between I2C addresses. The ADC 3 click features a Microchip MCP3428 16-bit multichannel analog-to-digital converter. ADC3 click communicates with the target MCU through mikroBUS I2C pins (SCL, SDA). Mikroe MIKROE-1894 ADC 3 click is designed to use either a 3.3V or 5V power supply.Features
- Carries the Microchip MCP3428
- 16-bit multichannel analog-to-digital converter
- Selectable I2C addresses
- Sample rate up to 240SPS
- 3.3V or 5V power supply
- Four-channel 16-bit ADC
Schematic
Publicado: 2016-08-24
| Actualizado: 2022-03-11
