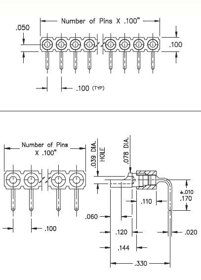
Mill-Max Series 380 Right Angle Solder Cup Headers
Mill-Max Series 380 right angle solder cup headers are ideal for low profile wire termination applications. The headers feature uniformly aligned solder cups and anti-rotation construction for more efficient soldering. The connectors have a .020” diameter pins and are suitable for mating with standard sockets or for through-hole soldering to the P.C.B and accept up to 22 AWG Stranded wire. Insulators are high temperature thermoplastic and are suitable for all soldering operations.Features
- Series 380 right-angle solder cup headers for low profile wire termination applications
- .020" diameter pins are suitable for mating with standard sockets or for through-hole soldering to the PCB
- Connectors feature uniformly aligned solder cups and anti-rotation construction to facilitate efficient soldering
- Accepts up to 22AWG stranded wire
- Insulators are high-temperature thermoplastic, suitable for all soldering operations
Dimensions
Publicado: 2018-06-25
| Actualizado: 2022-08-04
