Monolithic Power Systems (MPS) EVQ1925-RE-00A Evaluation Board
Monolithic Power Systems (MPS) EVQ1925-RE-00A Evaluation Board is designed to demonstrate the capabilities of the MPQ1925HR half-bridge gate driver. This evaluation board is configured as a buck converter and operates within the 0V to 100V input power supply voltage range. The MPQ1925 gate driver features a 3A Low-Side (LS) gate driver maximum source current and a 4.5A floating gate driver maximum sink current at 12VDD. This gate driver features an integrated bootstrap (BST) diode that reduces the external component count. The MPQ1925 gate driver is available in a small QFN-8 (4mm x 4mm) package and is designed for motor drivers and power control applications.Features
- Demonstrates capabilieis of MPQ1925 gate driver
- Configured as a buck converter
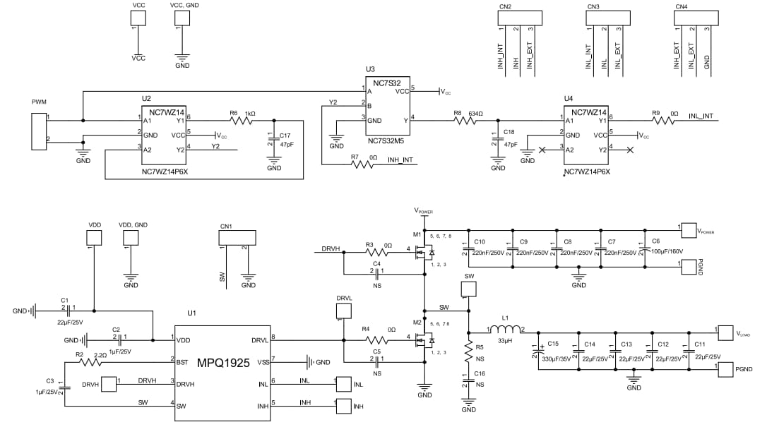
Schematic Diagram
Publicado: 2023-03-14
| Actualizado: 2023-03-29
