Monolithic Power Systems (MPS) MP4410 Step-Down Converters

Monolithic Power Systems (MPS) MP4410 Step-Down Converters are high frequency switching regulators with built-in high-side/low-side high voltage MOSFETs. These converters offer an output up to 100mA with an operation range of 4.5V to 36V. The series is designed for use in a variety of automotive input environments. A 5µA quiescent current in shutdown mode makes the MP4410 suitable for battery-powered applications. Higher power conversion efficiency is achieved over a wide load range by scaling down the switching frequency under light load conditions. MPS MP4410 Step-Down Converters come in a 3mm x 3mm QFN10 package.

Features

  • 20µA quiescent current
  • Wide 4.5V to 36V operating range
  • 42V integrated MOSFETs with 0.7Ω and 2.25Ω RON
  • Programmable switching frequency
  • Stable with ceramic output capacitors
  • Low output ripple
  • Programmable soft-start
  • Adjustable input UVLO hysteresis
  • Precision peak current limit without current-sensing resistor
  • Programmable peak current limit
  • >90% efficiency at 10V VIN to 5V VOUT/2mA
  • 1.0V feedback reference Voltage
  • Low <5µA shutdown mode current
  • 3mm x 3mm QFN10 package

Applications

  • 4mA to 20mA current loops
  • Automotive systems
  • Industrial power systems
  • Distributed power systems
  • Battery-powered systems

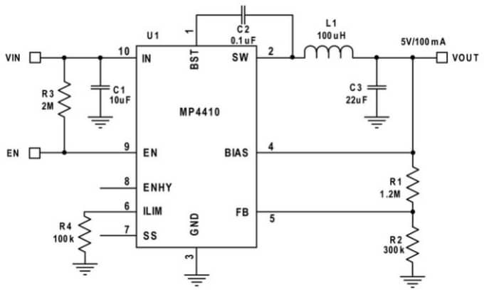
Application Diagram

Monolithic Power Systems (MPS) MP4410 Step-Down Converters
Publicado: 2015-05-14 | Actualizado: 2022-03-11