Nisshinbo NV3601 Automotive CMOS Output Voltage Detectors
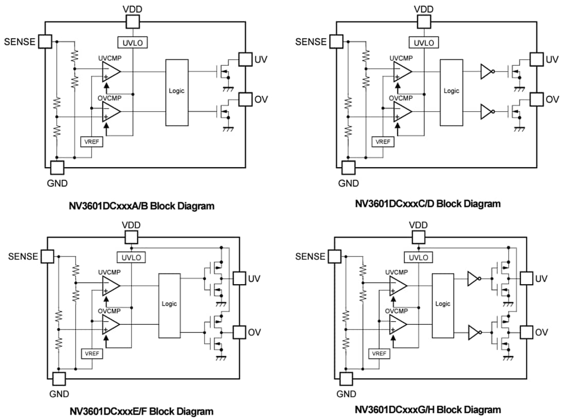
Nisshinbo NV3601 Automotive CMOS Output Voltage Detectors can monitor voltage drops and detect overvoltages as abnormalities, allowing the user to understand the operating status of the user's system. The device has a high withstand voltage of 42V at the SENSE pin, which helps it monitor battery voltage directly. The Nisshinbo NV3601 NMOS open drain or CMOS output types can be selected for the output type. Therefore, external voltage divider resistors and pull-up resistors are no longer required, reducing the number of external components and the dark current of the system. The presence or absence of hysteresis and the detection output logic of "Low" or "High" can be selected, allowing optimal operation according to the system functions.Features
- AEC-Q100 grade 1
- 2.4V to 6.0V (7.0V max.) input voltage range
- 0V to 42.0V (50.0V max.) SENSE pin voltage range
- -40°C to 125°C operating temperature range
- Quiescent Current
- Typ. 1.4μA (VDD pin only)
- Max. 4.0μA (Includes SENSE pin current)
- 3.3V to 19.8V (0.1V increment) under voltage detection
- Accuracy of ±0.6% (Ta = 25°C), ±1.5% (-40°C to 125°C)
- 4.5V to 22.2V (0.1V increment) over voltage detection
- Accuracy of ±0.6% (Ta = 25°C), ±1.5% (-40°C to 125°C)
- Hysteresis
- A/C/E/G packages have typical 1.0% with hysteresis
- B/D/F/H packages have no hysteresis
- Under voltage/over voltage
- Typical 40μs detection delay time
- Typical 230μs release delay time
- NMOS open drain or CMOS output types
Applications
- Battery voltage supervisor in automotive ECU system
- Battery voltage supervisor in cluster systems, etc.
- Battery voltage supervisor for IVI equipment, etc.
Videos
Block Diagrams
Publicado: 2024-06-13
| Actualizado: 2024-06-20
