onsemi / Fairchild FOD0721/0720/0710 Logic Gate Optocouplers
onsemi / Fairchild FOD0721/0720/0710 Logic Gate Optocouplers achieve a guaranteed minimum of 20kV/µs CMR rating through the devices' Optoplanar® coplanar packaging technology. These ICs feature a compact design, with high-speed AlGaAs LED, high-speed transimpedance amplifier, and pulse width distortion. The CMOS technology, coupled with the high efficiency of the LED, achieves low power consumption as well as high speed. The FOD0721/0720/0710 logic gate optocouplers are ideal for the isolated data acquisition system, programmable logic control, and industrial Fieldbus communications.Features
- Optimized IC design
- High-speed ALGaAs LED
- 20kV/µs minimum Common Mode Noise Rejection (CMR)
- 40ns maximum propagation display
- Data rate, non-return zero coding
- 6ns pulse width distortion
- +5V CMOS compatibility
- -40°C to 100°C extended industrial temperate range
Applications
- Industrial Fieldbus communications
- Profibus
- DeviceNet
- CAN
- RS485
- Programmable logic control
- Isolated data acquisition system
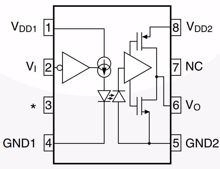
Functional Schematic
Publicado: 2008-06-19
| Actualizado: 2024-10-31
