onsemi NSVP264SDSF3T1G PIN Diode

onsemi NSVP264SDSF3T1G PIN Diode is designed to make compact and efficient designs for VHF, UHF, and AGC. This PIN diode essentially incorporates two PIN diodes in one SC-70 package that reduces both system cost and board space. The NSVP264SDSF3T1G PIN diodes are ideally used for automotive applications and auto gain control for radio.

Features

  • Designed to realize compact and efficient designs for:
    • Very High-Frequency (VHF)
    • Ultra High-Frequency (UHF)
    • AGC (Automatic Gain Control)
  • Pb-free, halogen-free, and RoHS-compliant
  • AEC-Q101 qualified and Production Part Approval Process (PPAP) capable
  • MCP3 package that is pin-compatible with SC-70

Applications

  • Automotive applications
  • Auto gain control for radio

Specifications

  • 0.23pF typical small interventional capacitance
  • 2.5Ω typical small forward series resistance
  • 50V reverse voltage
  • 50mA forward current
  • 100mW allowable power dissipation
  • -55°C to +125°C operating junction temperature

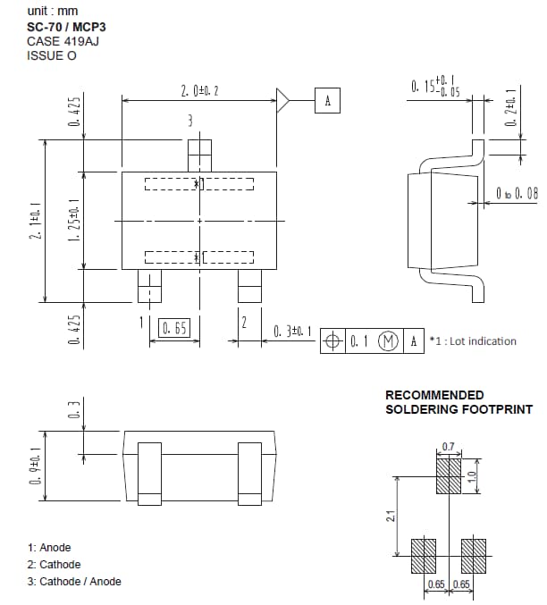
Mechanical Diagram

Mechanical Drawing - onsemi NSVP264SDSF3T1G PIN Diode
Publicado: 2019-07-03 | Actualizado: 2024-02-02