onsemi BAV99W Small Signal Switching Diodes

onsemi BAV99W Small Signal Switching Diodes are dual diodes that contain two diodes in series encapsulated in an SC-70/SOT-323 surface mount package. These switching diodes are designed for high-speed switching applications. The BAV99W switching diodes come in a small package and are AEC-Q101 qualified and PPAP capable. These switching diodes are 100V switching diodes that operate at 215mADC forward current. The BAV99W diodes are ideal for ESD protection, polarity reversal protection, data line protection, inductive load protection, and steering Logic.

Features

  • S and NSV prefixes for automotive and other applications requiring unique site and control change requirements
  • AEC-Q101 qualified and PPAP capable
  • 100VDC (VR) reverse voltage
  • 215mADC (IF) forward current
  • -65°C to 150°C junction and storage temperature range
  • 500mADC IFM(surge) peak forward surge current
  • 450mA (IFRM) repetitive peak forward current
  • Encapsulated in an SC-70/SOT-323 surface mount package
  • Devices are Pb-free, halogen-free/BFR-free, and RoHS-compliant

Applications

  • ESD protection
  • Polarity reversal protection
  • Data line protection
  • Inductive load protection
  • Steering logic

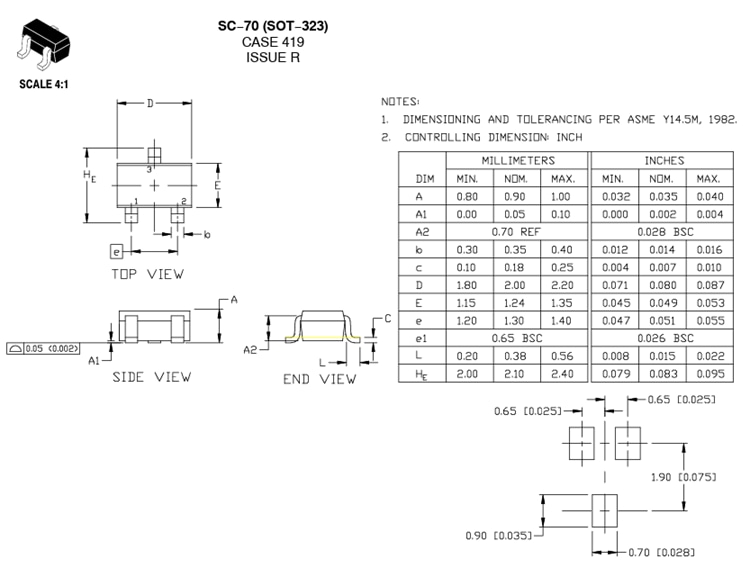
Mechanical Drawing

Mechanical Drawing - onsemi BAV99W Small Signal Switching Diodes
Publicado: 2025-01-29 | Actualizado: 2025-04-15