onsemi NCV7718B/C Hex Half-Bridge Driver

onsemi NCV7718B/C Hex Half-Bridge Driver comprises twelve DMOS power drivers, configured as six Half-Bridges, enabling three independent Full-Bridge operations. Each output drive offers a maximum 550mA DC load and a 2A surge capability. The NCV7718B/C provides protection features designed specifically for automotive and industrial motion control applications. The NCV7718B/C has independent controls and diagnostics. This device can operate in forward, reverse, brake, and high impedance states. The drivers are controlled via a 5MHz 16-bit SPI interface and are daisy-chain compatible.

The NCV7718B/C Hex Half-Bridge Driver is offered in a 24-lead Shrink Small Outline Package (SSOP) in standard and exposed pad variants. This device is AEC-Q100 qualified and PPAP-capable for use in automotive applications.

Features

  • Low quiescent current sleep mode
  • High-side and low-side drivers connected in a half-bridge configuration
  • Integrated low-side and high-side freewheeling protection 
  • 0.55A peak current
  • 1Ω typical RDS(on)
  • 5MHz SPI control
  • Compliance with 3.3V and 5.0V systems
  • Undervoltage and overvoltage lockout
  • Discriminated fault reporting
  • Overcurrent protection
  • Overtemperature protection
  • Under Load Detection (LS)
  • Daisy chain compatible with multiples of 8-bit devices
  • 16-bit frame detection
  • Available SSOP-24 package options
    • Exposed pad package for NCV7718B and NCV7718C
    • Standard package for NCV7718C
  • AEC-Q100 qualified and PPAP capable
  • Pb-free

Applications

  • Automotive
  • Industrial
  • DC motor management for HVAC applications

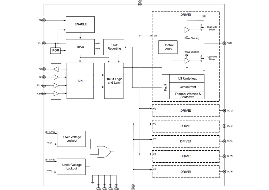
Block Diagram

Block Diagram - onsemi NCV7718B/C Hex Half-Bridge Driver

Typical Application Circuit

onsemi NCV7718B/C Hex Half-Bridge Driver
Publicado: 2019-09-03 | Actualizado: 2024-02-28