onsemi NCx57091 IGBT/MOSFET Gate Drivers

onsemi NCx57091 IGBT/MOSFET Gate Drivers are high-current single-channel drivers with 5kVRMS internal galvanic isolation. These drivers accept complementary inputs and offer options such as active miller clamp, negative power supply, and separate high/low driver outputs for system design convenience. The IGBT/MOSFET gate drivers accommodate a wide range of input bias voltage and signal levels from 3.3V to 20V and are available in the SOIC-8 package. Typical applications include motor control, Uninterruptible Power Supplies (UPS), automotive applications, industrial power supplies, and solar inverters.

Features

  • Short propagation delays with accurate matching
  • IGBT/MOSFET gate clamping during short circuit
  • IGBT/MOSFET gate active pull-down
  • Tight UVLO thresholds for bias flexibility
  • High transient immunity
  • High electromagnetic immunity
  • Low clamp voltage drop eliminates the need for a negative power supply to prevent spurious gate turn-on (version A/D/F)
  • Pb−Free, Halogen Free/BFR Free, and are RoHS compliant

Specifications

  • 6.5A/-6.5A high peak output current
  • 3.3V, 5V, and 15V logic inputs
  • 5kVRMS galvanic isolation
  • 1470mW power dissipation
  • -40°C to 150°C junction temperature range
  • -65°C to 150°C storage temperature range

Applications

  • Motor control
  • Uninterruptible Power Supplies (UPS)
  • Automotive applications
  • Industrial power supplies
  • Solar inverters

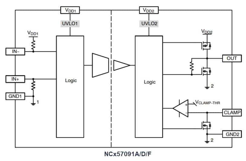
Block Diagrams

Publicado: 2022-02-21 | Actualizado: 2022-03-11