onsemi NVMFD6H852NL 80V 25A Automotive Power MOSFET
onsemi NVMFD6H852NL 80V 25A Automotive Power MOSFET is AEC-Q101 qualified and PPAP capable, ideal for use in automotive applications. This dual N-channel device offers a low drain-to-source on-resistance, low gate charge, and low capacitance to minimize driver losses. The NVMFD6H852NL Power MOSFET is offered in a small footprint 8-pin DFN package for compact design, with a wettable flank option available for enhanced optical inspection.Features
- AEC-Q101 qualified and PPAP capable
- 80V drain-to-source voltage (VDSS)
- 25A maximum continuous drain current (ID)
- Low drain-to-source on-resistance (RDS(on))
- 25.5mΩ at 10V
- 31.5mΩ at 4.5V
- Low total gate charge (QG(TOT))
- 10nC at VGS = 10V, VDS = 40V; ID = 10A
- 5nC at VGS = 4.5V, VDS = 40V; ID = 10A
- 521pF input capacitance (CISS)
- 69pF output capacitance (COSS)
- 4pF reverse transfer capacitance (CRSS)
- -55°C to +175°C operating junction temperature range
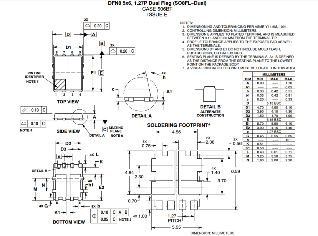
- DFN-8 package type
- 5mm x 6mm package dimensions
- Pb-free and RoHS-compliant
Applications
- Automotive
- Uninterruptible power supplies
- Solar inverters
- Motor drives
Internal Schematic
Package Outline
Publicado: 2019-09-03
| Actualizado: 2024-02-28
