onsemi NXH008T120M3F2PTHG Silicone Carbide (SiC) Module

onsemi NXH008T120M3F2PTHG Silicone Carbide (SiC) Module is a T-type neutral point clamped converter (TNPC) module based on 1200V M3S Planer SiC MOSFETs.  NXH008T120M3F2PTHG is optimized for fast-switching applications. Planar technology works reliably with negative gate voltage drive and turn-off spikes on the gate. This module exhibits optimum performance when driven with a 20V gate drive but also works well with an 18V gate drive.

Features

  • 8mΩ, 1200V M3S SiC MOSFET TNPC topology
  • HPS DBC
  • Thermistor
  • Options with/without pre-applied Thermal Interface Material (TIM)
  • Options with solderable pins and press-fit pins
  • Lead-free, Halide-free, and RoHS compliant

Applications

  • Solar inverters
  • Uninterruptible power supplies
  • Electric vehicle charging stations
  • Industrial power

Specifications

  • SiC MOSFET
    • 300µA maximum zero gate voltage drain current
    • 8.5mΩ to 15mΩ typical drain-source on resistance
    • 1.8V to 4.4V gate-source threshold voltage
    • ±600nA gate leakage current
    • Typical capacitance
      • 9129pF input
      • 39pF reverse transfer
      • 493pF output
    • 454nC typical total gate charge
    • 43nC typical gate-source charge
    • 101nC typical gate-drain charge
    • 41.5ns typical turn-on delay
    • 20.6ns typical rise time
    • 137ns typical turn-off delay time
    • 15ns fall time
    • Typical switching loss per pulse
      • 0.60mJ turn-on
      • 0.26mJ turn-off
    • 4.0V to 4.8V diode forward voltage
    • Typical thermal resistance
      • 0.256°C/W chip-to-case
      • 0.451°C/W chip-to-heatsink
  • Thermistor
    • 5kΩ to 159.5Ω nominal resistance range
    • ±5% deviation of R100
    • Typical power dissipation
      • 0.1mW recommended limit
      • 34.2mW absolute maximum
      • 1.4mW/K constant
    • Typical B-value, ±2% tolerance
      • 3375K if B(25/50)
      • 3436K if B(25/100)
  • 160µm ±20µm TIM layer thickness
  • Insulation
    • 4800VRMS maximum isolation test voltage for 1s at 60Hz
    • 12.7mm maximum creepage distance
    • 600 maximum CTI
    • HPS substrate ceramic material, 0.38mm thick
    • 0.18mm maximum substrate warpage
  • -40°C to +150°C operating junction temperature range

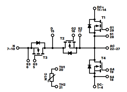
Schematic

Schematic - onsemi NXH008T120M3F2PTHG Silicone Carbide (SiC) Module
Publicado: 2023-12-19 | Actualizado: 2024-07-31