Qorvo QPC2040 X-Band GaN 10W SPDT Switch

Qorvo QPC2040 X-Band GaN (Gallium Nitride) 10W SPDT Switch is a Single-Pole Double-Throw switch fabricated on a proprietary QGaN15 0.15µm GaN on SiC production process. Operating from 8GHz to 12GHz, the QPC2040 typically supports 10W input power handling at control voltages of 0V and -28V for pulsed RF operations. The switch maintains low insertion loss less than 1.2dB and greater than 30dB isolation, making it ideal for high-power switching applications across defense and commercial platforms.

The Qorvo QPC2040 X-Band GaN 10W SPDT Switch is offered in a 3.0mm x 4.5mm plastic over-molded Quad Flat No-Lead (QFN) package and is RoHS compliant.

Features

  • 8GHz to 12GHz frequency range
  • 10W input power
  • 1.2dB insertion loss
  • 30dB isolation (typical)
  • RF input power
    • 44.5dBm (PW = 100μ, DC = 25%, 50Ω, TBASE = 85°C)
    • 43.0dBm (PW = 100μ, DC = 25%, 3:1 VSWR, TBASE = 85°C
  • 35ns switching speed
  • 0V, -28V control voltages
  • 75W power dissipation
  • -40°C to +85°C operating temperature range
  • -55°C to 150°C strange temperature range
  • 3.0mm x 4.5mm x 1.05mm QFN package
  • Halogen-free, lead-free, and RoHS compliant

Applications

  • Commercial and military radar
  • Communications
  • Electronic Warfare

Block Diagram

Block Diagram - Qorvo QPC2040 X-Band GaN 10W SPDT Switch

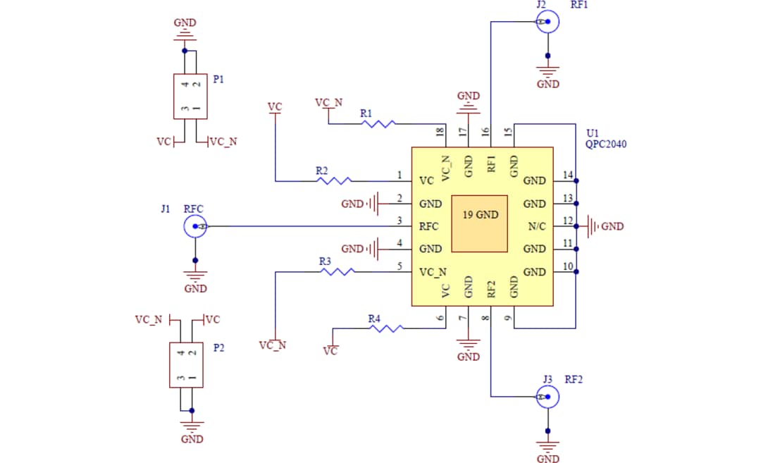
Typical Application Circuit

Application Circuit Diagram - Qorvo QPC2040 X-Band GaN 10W SPDT Switch
Publicado: 2021-12-06 | Actualizado: 2022-03-11