Renesas Electronics ISL85410 1A Buck Regulators
Renesas / Intersil ISL85410 1A synchronous buck regulator features an input range of 3V to 36V. It provides an easy to use, high-efficiency low BOM count solution for a variety of applications. The ISL85410 integrates both high-side and low-side NMOS FET's and features a PFM mode for improved efficiency at light loads. This feature can be disabled if forced PWM mode is desired. The part switches at a default frequency of 500kHz but may also be programmed using an external resistor from 300kHz to 2MHz.The ISL85410 has the ability to utilize internal or external compensation. By integrating both NMOS devices and providing internal configuration options, minimal external components are required, reducing BOM count and the complexity of the design. With the wide VIN range and reduced BOM, the components provide an easy to implement design solution for a variety of applications while giving superior performance. It will provide a very robust design for high voltage industrial applications as well as an efficient solution for battery-powered applications.
The part is available in a small Pb-free 4mm x 3mm DFN plastic package with an operating temperature range of -40°C to +125°C.
Features
- Wide input voltage range of 3V to 36V
- Synchronous operation for high efficiency
- No compensation required
- Integrated high-side and low-side NMOS devices
- Selectable PFM or forced PWM mode at light loads
- Continuous output current up to 1A
- Internal fixed (500kHz) or adjustable switching frequency of 300kHz to 2MHz
- Internal or external soft-start
- Minimal external components required
- Power-good and enable functions available
Applications
- Industrial control
- Medical devices
- Portable instrumentation
- Distributed power supplies
- Cloud infrastructure
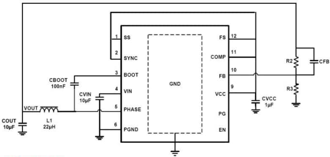
Block Diagram
View Results ( 2 ) Page
| N.º de artículo | Hoja de datos | Paquete / Cubierta | Frecuencia de conmutación |
|---|---|---|---|
| ISL85410FRZ-T | ![]() |
DFN-EP-12 | 570 kHz |
| ISL85410FRZ | ![]() |
DFN-EP-12 | 570 kHz |
Publicado: 2014-01-17
| Actualizado: 2024-04-05

