Renesas Electronics RAA306012 3-Phase Smart Gate Driver

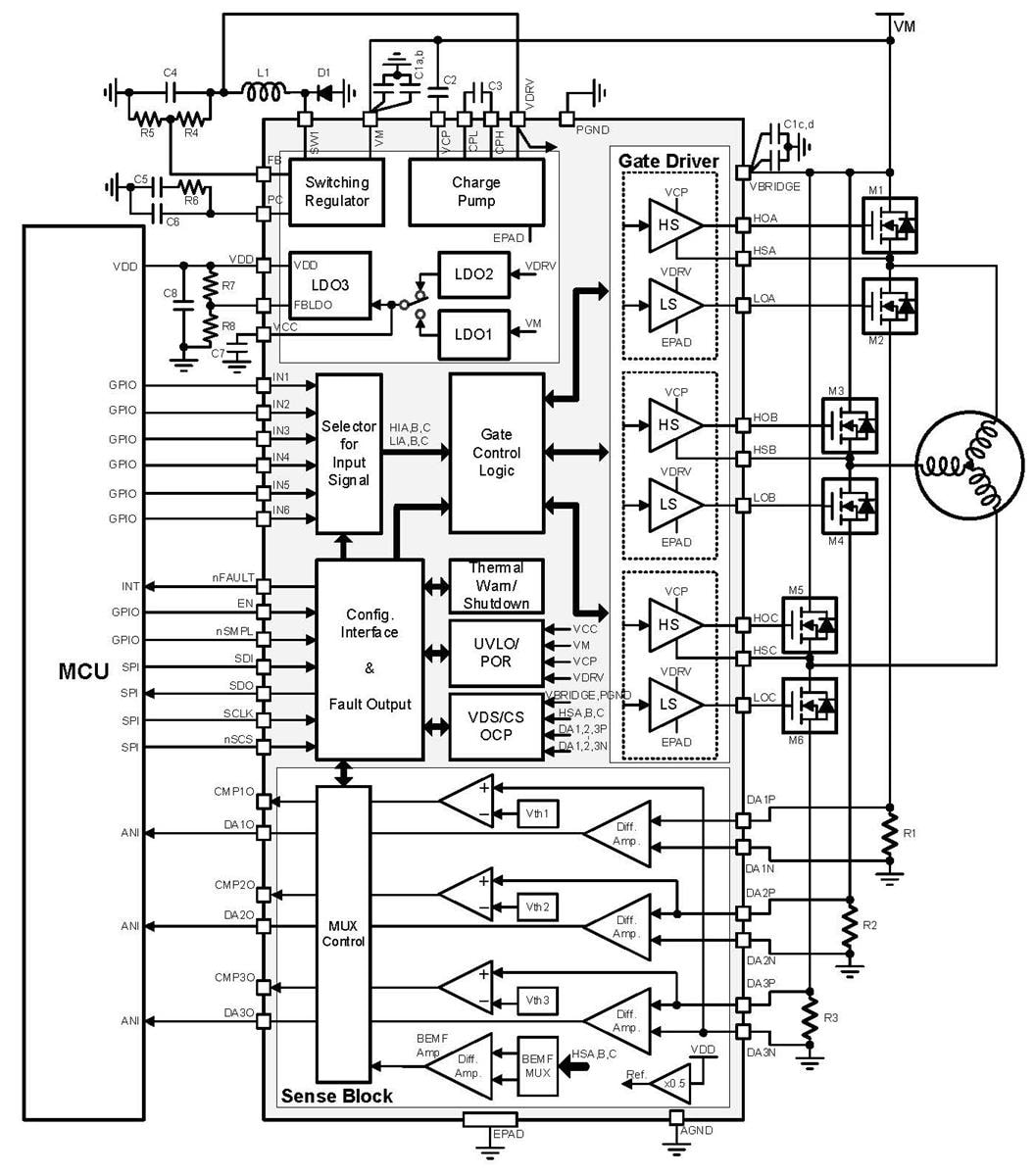
Renesas Electronics RAA306012 3-Phase Smart Gate Driver is designed for 3-phase brushless DC motor use. The Renesas Electronics RAA306012 incorporates three half-bridge gate drivers, capable of driving up to three N-channel MOSFET bridges with a voltage range of 6V to 65V. Each driver supports a 0.64A source and 1.28A sink peak drive current, adjustable via drive strength control. Adaptive dead times enhance robustness, preventing Miller effect-induced cross-conduction. The device integrates power supplies for internal circuitry, gate drivers, and a dedicated supply for external microcontrollers. Additionally, it features a low-power sleep mode, consuming only 28μA for increased battery life in portable applications.

Features

  • Operating power supply voltage
    • VBRIDGE: 6V to 65V (78V abs max)
    • VM: 6V to 60V (65V abs max)
  • -40°C to 125°C operating ambient temperature
  • 3-Phase gate drivers for BLDC application
    • Switching frequency range up to 200kHz
    • Peak 0.64A/1.28A source/sink current with 16 adjustable drive strength through SPI interface
    • Adaptive and adjustable dead time
  • Flexible configuration for gate driver
    • 3-phase HI/LI mode and 3-phase PWM mode
    • Input control signal configuration
    • Support half-bridge, full-bridge configuration
  • Fully integrated power supply architecture
    • Two VCC LDOs allow for Sleep mode with low IQ
    • 500mA buck switching regulator generates drive voltage (5V to 15V adjustable)
    • 100mA adjustable output LDO for MCU supplies
  • Three accurate differential amplifiers
    • Four levels of sense gain setting
    • Supports DC offset calibration during power-up and on-the-fly
  • BEMF sense amplifier for sensorless motor drive
  • Three comparators for hall sensor motor drive
  • Integrated protection features
    • VM over/undervoltage lockout (VM_OV/UVLO)
    • Charge pump undervoltage (VCP_UV)
    • Buck regulator fault (VDRV_OV/UV, SR_OCP)
    • MOSFET VDS OCP (VDS_OCP)
    • Current sense OCP (CS_OCP)
    • MOSFET VGS fault (VGS_FAULT)
    • Thermal warning/shutdown (TWARN/OTSD)
    • Fault indicator (nFAULT pin)
  • 7mm × 7mm 48 Ld QFN package (0.5mm pitch)

Applications

  • Power tools and garden tools
  • Printers
  • Vacuum cleaners
  • Fans
  • Pumps
  • Robotics

Videos

Typical Application Circuits

Application Circuit Diagram - Renesas Electronics RAA306012 3-Phase Smart Gate Driver
Publicado: 2023-12-05 | Actualizado: 2024-02-07