Renesas Electronics RC22504A & RC32504A FemtoClock® 2 Synthesizers

Renesas Electronics RC22504A and RC32504A FemtoClock® 2 Synthesizers are designed to be placed adjacent to a PHY, switch, ASIC, or FPGA that requires several reference clocks with less than 100fs (max) jitter performance. The RC22504A acts as a frequency synthesizer to locally generate the reference clock or as a DCO for frequency margining or OTN clock applications. The RC32504A can act as a frequency synthesizer to locally generate the reference clock, a jitter attenuator to perform local clean-up and/or frequency translation of a centrally-supplied reference, a Synchronous Ethernet equipment clock to perform passband filtering and clean-up of network-supplied references, or as a DCO for frequency margining or OTN clock applications. These devices are members of Renesas' high-performance FemtoClock2 family.

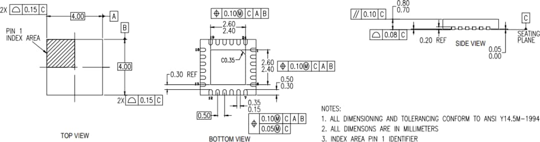
The Renesas Electronics RC22504A and RC32504A FemtoClock 2 Synthesizers are offered in a Quad Flat No-Lead (QFN) package with an exposed pad for improved thermal performance.

Features

  • RC32504A
    • Jitter below 100fs RMS (10kHz to 20MHz)
    • Compliant with ITU-T G.8262 for synchronous Ethernet/OTN (EEC/OEC) and ITU-T G.8262.1 for enhanced synchronous Ethernet/OTN
      (eEEC/eOEC)
    • PLL core consists of fractional-feedback Analog PLL (APLL) which can optionally be steered by a Digital PLL (DPLL)
    • Operates from a 25MHz to 80MHz crystal or XO
    • APLL frequency independent of input/crystal frequency
      • Operates as a frequency synthesizer, jitter attenuator, synchronous equipment slave clock or Digitally Controlled Oscillator (DCO)
      • DPLL loop filter programmable from 0.1Hz to 12kHz
      • DCO has tuning granularity of < 1ppt
      • Programmable input buffer supports HCSL, LVDS, or two LVCMOS with no external terminations needed
      • Input frequencies: 1MHz to 800MHz (250MHz for LVCMOS)
      • Reference monitor qualifies/disqualifies input clock
    • Programmable status output
    • 4 differential/8 LVCMOS outputs
      • Any frequency from 10MHz to 1GHz (180MHz for LVCMOS)
      • Programmable output buffer supports HCSL (DC-coupled), LVDS/LVPECL/CML (AC-coupled) or two LVCMOS
      • Differential output swing is selectable: 400mV to 800mV
      • Output Enable input with programmable effect
    • Supports up to 1MHz I2C or up to 20MHz SPI serial processor port
    • Can configure itself automatically after reset through internal customer-definable One-Time Programmable (OTP) memory with up to four different configurations
    • 4mm x 4mm QFN-24 package
  • RC22504A
    • Jitter as low as 64fs RMS maximum (10Hz to 20MHz)
    • PLL core consists of fractional-feedback Analog PLL (APLL)
      • Operates from a 25MHz to 80MHz crystal or XO
      • APLL frequency independent of input/crystal frequency
      • Operates as a frequency synthesizer or Digitally Controlled Oscillator (DCO)
      • DCO has tuning granularity of < 1ppb
    • Programmable status output
    • 4 differential / 8 LVCMOS outputs
      • Any frequency from 10MHz to 1GHz (180MHz for LVCMOS)
      • Programmable output buffer supports HCSL (DC-coupled), LVDS/LVPECL/CML (AC-coupled), or two LVCMOS
      • The differential output swing is selectable from 400mV to 800mV
      • Output Enable input with programmable effect
    • Supports up to 1MHz I2C or up to 20MHz SPI serial processor port
    • Can configure itself automatically after reset via internal customer-definable One-Time Programmable (OTP) memory with up to four
      different configurations
    • 4mm x 4mm QFN-24 package

Applications

  • RC32504A
    • Synchronous Ethernet/OTN equipment 
    • Reference clock generator for 100Gbps/400Gbps PHYs or switches
    • Adjustable OTN clock reference for OTU3/OTU4 mappers
    • Reference clock for programmable FiberOptic Modules
  • RC22504A
    • Reference clock generator for 100Gbps / 400Gbps PHYs or switches
    • Adjustable OTN clock reference for OTU3 / OTU4 mappers
    • Reference clock for programmable FiberOptic Modules

Block Diagrams

Block Diagram - Renesas Electronics RC22504A & RC32504A FemtoClock® 2 Synthesizers

Package Outline

Mechanical Drawing - Renesas Electronics RC22504A & RC32504A FemtoClock® 2 Synthesizers
Publicado: 2021-04-26 | Actualizado: 2022-03-11