RF Solutions ZPT Smart Radio Telemetry Modules
RF Solutions ZPT Smart Radio Telemetry Modules provide an easy plug-and-play remote control feature for any application. RF Solutions ZPT smart radio telemetry modules offer a serial and digital output when the transmitter is operated. The device is compatible with many RF solutions transmitters, creating a versatile and secure radio telemetry switch.Features
- 4-channel receiver module
- Four digital outputs
- Serial data output
- Minimal external components
- Secure data protocol
- 1.8V to 3.6V ultra-low power
- Easy pairing process
- -121dBm receive sensitivity
- Range when used with
- Up to 150m (FOBBER key fob)
- Up to 1000m (TRAP handset)
- Up to 2000m (SABRE handset)
- SMT or SIL package
- Incorporates self-test mode
- CE compliant for EU license-free use
Applications
- Remote control
- Sensors
- I/O telemetry devices
- Remote switching
- Remote traffic lights
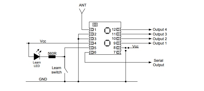
Application Circuit
ZPTModule Re-Flow Guide
Publicado: 2019-07-09
| Actualizado: 2024-01-30
