ROHM Semiconductor BM81810MUV-M Automotive Panel Power Management IC
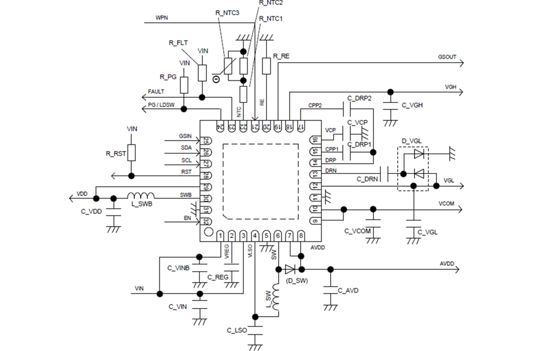
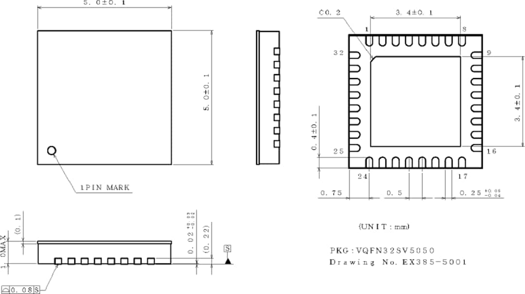
ROHM Semiconductor BM81810MUV-M Automotive Panel Power Management IC (PMIC) is optimized for display panels used in-car navigation, in-vehicle center panels, and instrument clusters. The BM81810MUV-M incorporates a VCOM amplifier and Gate Pulse Modulation (GPM), in addition to the power supply for the panel driver (SOURCE, GATE, and LOGIC power supplies). This device also integrates EEPROM for sequence and output voltage setting retention. The BM81810MUV-M includes under-voltage lockout, thermal shut down, over-current protection, over-voltage protection, and under-voltage protection circuits.The ROHM Semiconductor BM81810MUV-M PMIC is available in a VQFN32SV5050 package and is AEC-Q100 qualified for use in automotive applications.
Features
- AEC-Q100 qualified (Grade 2)
- Alternative synchronous Buck DC-DC converter or LDO for VDD output
- Synchronous Boost DC-DC converter for AVDD output with integrated load switch
- ±2% AVDD output voltage accuracy
- VCOM amplifier with 7-bit calibrator
- Positive charge pump (Integrated diode, x2/x3) for VGH output
- Negative charge pump for VGL output
- VGH and VCOM temperature compensation
- Gate Pulse Modulation (GPM)
- I2C interface output voltage setting control function with integrated EEPROM
- Switching frequency switching function (525KHz, 1.05MHz, 2.1MHz)
- Protection circuits
- Under-voltage lockout
- Thermal shut down
- Over-current protection
- Over-voltage protection
- Under-voltage protection (Timer latch type)
- Input tolerant (SCL, SDA, EN, WPN)
- -40°C to +105°C operating temperature range
- 5.0mm x 5.0mm x 1.0mm VQFN32SV5050 package
Applications
- Display panels
- Car navigation
- In-vehicle center panel
- Instrument cluster
Typical Application Circuit
Package Outline
Publicado: 2021-03-15
| Actualizado: 2022-03-11
