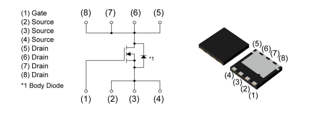
ROHM Semiconductor RY7P250BM Power MOSFET
ROHM Semiconductor RY7P250BM Power MOSFET is designed with a low on-resistance of 1.86mΩ (maximum) and comes in a DFN8080 high-power package. This power MOSFET features 100V drain-source voltage (VDSS), ±300A drain current (ID), and 340W power dissipation (PD). The RY7P250BM MOSFET offers a wide Safe Operating Area (SOA) that helps the MOSFET withstand higher voltages and currents without damage, enhancing robustness and reliability. The ROHM RY7P250BM MOSFET is suitable for Hot Swap Controller (HSC) applications.
Features
- 1.43mΩ (typical) low on-resistance (RDS(on) (typical))
- 1.86mΩ (maximum) low on-resistance (RDS(on) (maximum))
- 100V drain-source voltage (VDSS)
- ±300A drain current (ID)
- 340W power dissipation (PD)
- Wide Safe Operating Area (SOA)
- DFN8080 high power package
- Pb-free plating
- RoHS compliant
- Halogen Free
- 100% Rg and UIS tested
Applications
- 48V AI server systems and power supply hot-swap circuits in data centers
- 48V industrial equipment power systems (i.e., forklifts, power tools, robots, and fan motors)
- Battery-powered industrial equipment, such as Automated Guided Vehicles (AGVs)
- UPS and emergency power systems (battery backup units)
Resources
Package Style
Videos
Infographic
Publicado: 2025-06-12
| Actualizado: 2025-12-04
