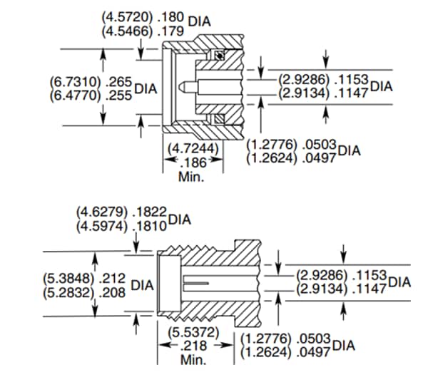
Samtec PRF92 Precision Cable Connectors
Samtec PRF92 Precision Cable Connectors are 2.92mm precision RF interconnects that offer performance up to 40GHz and a 50Ω impedance rating. These cable connectors are designed with semi-rigid and low-loss flexible cables. Samtec PRF92 Precision Cable Connectors feature a compression mount jack with a two-hole flange in various board thicknesses.Features
- 2.92mm
- Performance up to 40GHz
- 50Ω impedance rating
- Semi-rigid and low loss flexible cables
Interface Standard
Publicado: 2022-05-04
| Actualizado: 2022-05-10
