Analog Devices Inc. AD8412ARM-EVALZ Evaluation Board
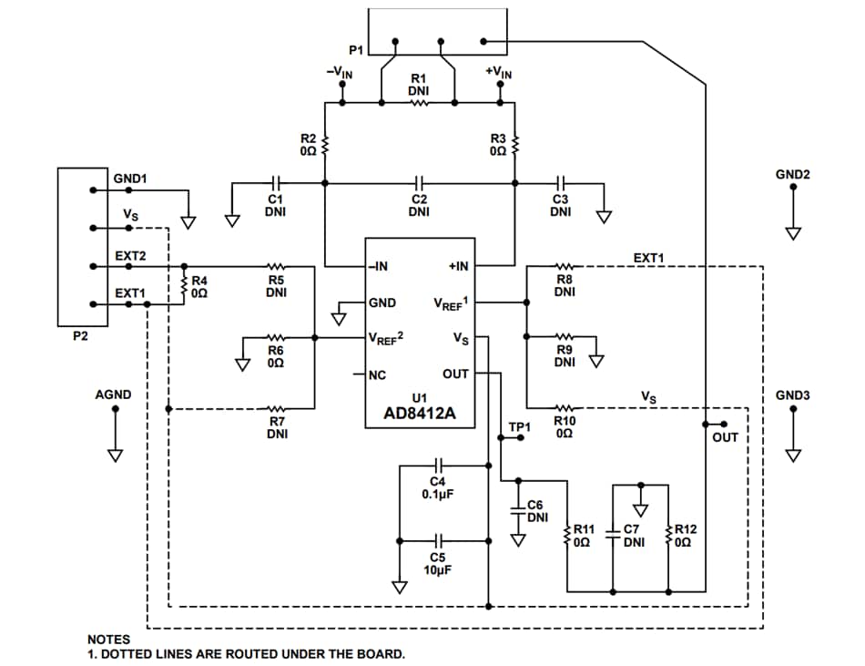
Analog Devices AD8412ARM-EVALZ Evaluation Board is based on the AD8412A amplifier and was created for easy configuration of different modes of operation and to permit flexibility with loads. A shunt resistor (R1), with a standard size of 2818 max, can be soldered to the board. The AD8412A Current Sense Amplifiers offer an initial gain of 10V/V, with a 1.8MHz bandwidth with a maximum ±0.11% gain error over the entire temperature range.The ADI AD8412ARM-EVALZ Board supports the AD8412A in a small outline package (MSOP).
Features
- Enables quick breadboarding and prototyping
- Easily configurable for unidirectional or bidirectional operation
- Includes provision for current-sense shunt resistor
- Easy connection to test equipment
- Includes provisions for an input filter and an output filter
- Decoupled supply line
Applications
- In-phase or high-side current sensing in:
- Motor control in BLDC motors, low-inductance motors
- Bidirectional 48V to 12V DC to DC converters
- Solenoid controls
- Power rail monitoring
- Low-side current sensing
Layout
Connections to Terminal Blocks
Schematic
Publicado: 2025-03-14
| Actualizado: 2025-03-18
