SiTime SiT92 Ultra Low Jitter Buffers

SiTime SiT92 Ultra-Low Jitter Buffers is a portfolio of high-performance clock buffers featuring up to 2.1GHz output frequency. The SiTime SiT92 features ultra-low output-to-output jitter, low additive jitter, minimal propagation delay, and broad voltage compatibility. Additionally, the portfolio introduced an automotive-grade, AEC-Q100-qualified fanout clock buffer with a low additive phase jitter of 50fs RMS. This model supports a glitch-free output enable function, reducing the risk of incorrect output clock cycles during activation or deactivation.

Features

  • Output frequency up to 2.1GHz
  • Ultra-low output-to-output skew, as low as 30ps (typical)   
  • Low additive jitter, 50 to 55fs rms
  • Low propagation delay, as low as <1.6ns
  • Wide voltage operation for design compatibility
  • Output enable (OE) signal for output synchronization (SiT92112, SiT92114, SiT92216)
  • Level translation

Applications

  • 5G, 4G base stations
  • Telecom equipment
  • Servers
  • Carrier Ethernet
  • Small cells
  • Automotive applications

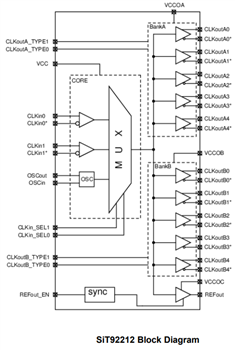
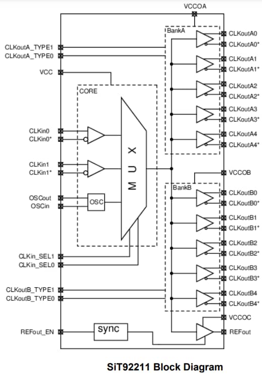
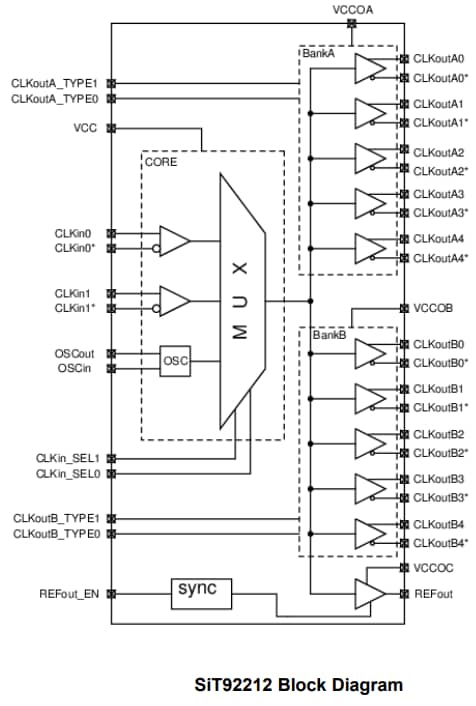
Block Diagram

Publicado: 2023-12-27 | Actualizado: 2024-01-01