Skyworks Solutions Inc. SKY68001-31 Universal Multi-Band FEM for IoT
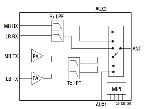
Skyworks Solutions SKY68001-31 Universal Multi-Band Front-end Module (FEM) for IoT supports cellular LTE-M /NB-IoT (half-duplex system) transceiver platforms. This FEM integrates the entire RF Front-End (RFFE) that is required for an LTE multi-band radio that operates in different low-band and mid-band frequencies. The SKY68001-31 FEM is fully controllable by a single MIPI interface that drives the Power Amplifier (PA) in various optimized bias modes. The feature set of this FEM also includes Rx low-pass filters, broadband PA with bias controller, Tx low pass harmonic filter, antenna switch, and MIPI RFFE controller. Typical applications include cellular IoT modem devices and LTE universal modem products.Features
- Half-duplex design optimized for low data rate applications
- Broadband PA supporting APT mode of operation or Vcc fixed supply (≥ 2.85V)
- Optimized to support LTE for 1RB to 12RB
- Two additional AUX ports offer greater flexibility for more bands on the Tx or Rx path
- Adaptive biasing scheme for maximum PA efficiencies
Applications
- Dedicated LTE half-duplex operation (HD-FDD) for Cat-M1 and Cat-NB1
- Designed to meet 3GPP Rel-12 and Rel-13 specifications (with compatible cellular transceiver)
- PAE optimized for Class 3 LTE output power (+23dBm)
- Supports both low and mid-band frequency ranges
Functional Block Diagram
Publicado: 2018-01-10
| Actualizado: 2022-10-02
